| Working Medium: | Double Action |
| Motion Pattern: | Fitered Air |
| Compression Pressure: | 1.5MPa |
| Max.Operating Pressure: | 1.0MPa |
| Min.Operating Pressure: | 0.1MPa |
| Buffer: | Air Buffer(Standard) |

| Bore(mm) | 32 | 40 | 50 | 63 | 80 | 100 | 125 |
Working Medium | Double Action | ||||||
Motion Pattern | Fitered Air | ||||||
Compression Pressure | 1.5MPa | ||||||
Max.Operating Pressure | 1.0MPa | ||||||
Min.Operating Pressure | 0.1MPa | ||||||
Buffer | Air Buffer(Standard) | ||||||
ConditionTemperature | -5~70℃ | ||||||
Operating Speed | 50~800mm/s | ||||||
Port Size | G1/8" | G1/4" | G3/8" | G1/2" | |||

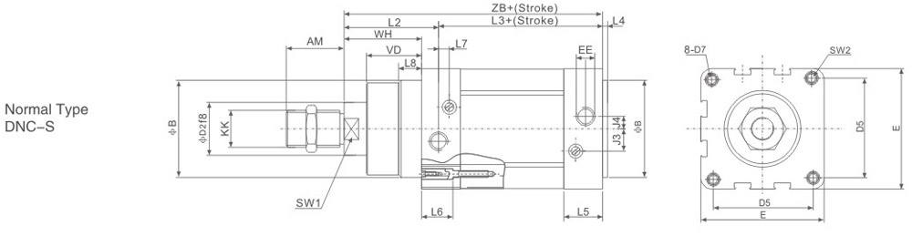
Bore | AM | B | D2 | D5 | D7 | E | EE(G) | J3 | J4 | KK | L2 | L3 | L4 | L5 | L6 | L7 | L8 | SW1 | SW2 | VD | WH | ZB |
32 | 22 | 30 | 12 | 32.5 | M6 | 45 | 1/8 | 6 | 5.2 | M10×1.25 | 40 | 80 | 4 | 26 | 16 | 3.3 | 8 | 10 | 6 | 16 | 26 | 120 |
40 | 24 | 35 | 16 | 38 | M6 | 54 | 1/4 | 8 | 6 | M12×1.25 | 46 | 89 | 4 | 29.6 | 16 | 3.6 | 10 | 13 | 6 | 20 | 30 | 135 |
50 | 32 | 40 | 20 | 46.5 | M8 | 64 | 1/4 | 10 | 8.5 | M16×1.5 | 54 | 90 | 4 | 30 | 17 | 5.1 | 10 | 17 | 8 | 27 | 37 | 144 |
63 | 32 | 45 | 20 | 56.5 | M8 | 75 | 3/8 | 12.4 | 10 | M16×1.5 | 57 | 101 | 4 | 35.5 | 17 | 6.6 | 10 | 17 | 8 | 27 | 37 | 158 |
80 | 40 | 45 | 25 | 72 | M10 | 93 | 3/8 | 12.5 | 8 | M20×1.5 | 65 | 109 | 4 | 36 | 17 | 10.5 | 10 | 22 | 10 | 34.5 | 46 | 174 |
100 | 40 | 55 | 25 | 89 | M10 | 110 | 1/2 | 11.8 | 10 | M20×1.5 | 71 | 118 | 4 | 39 | 17 | 8 | 12.5 | 22 | 10 | 38 | 51 | 189 |
125 | 54 | 60 | 32 | 110 | M12 | 134 | 1/2 | 13 | 8 | M27×2 | 95 | 128 | 6 | 44.7 | 22 | 14 | 10 | 28 | 12 | 46 | 65 | 223 |

Bore | 32 | 40 | 50 | 63 | 80 | 100 | 125 |
B | 30 | 35 | 40 | 45 | 45 | 55 | 60 |
L15 | 146 | 165 | 182 | 194 | 220 | 240 | 298 |
VD | 16 | 20 | 27 | 27 | 34.7 | 38.2 | 46 |
ZB | 120 | 135 | 144 | 158 | 174 | 189 | 223 |
![]() | NO. Designation 1 Piston Rod Nut 3 Front Cover Seal Ring 5 Front Cover 7 O-Ring 9 Piston O-Ring 11 Wear Ring 13 Piston 15 Cushion Needle 17 Hex Socket Screw | NO. Designation 2 Piston Rod 4 Bearing 6 Buffering O-Ring 8 Pistion rod O-Ring 10 Magnet(Optional) 12 Barrel 14 Cushion Seal 16 Back Over 18 Profile Bolt |
Bore | Standard Stroke | Buffer Stroke | Stroke Range |
32 |
25 40 50 80 | 20 | 10~2000 |
40 | |||
50 | 22 | ||
63 | |||
80 | 32 | ||
100 | |||
125 | 35 |
DNCB Series Booster Cylinder
Working Medium | Fitered Air |
Compression Pressure | 1.5MPa |
Max.Operating Pressure | 1.0MPa |
Min.Operating Pressure | 0.1MPa |
ConditionTemperature | -5~70℃ |
DNC Series Standard Cylinder(ISO15552)
SI Series Standard Cylinder(ISO6431)
DNG Series Standard Cylinder(ISO15552)
SC/SU Series Standard Cylinder
Autoair Pneumatic CO., LTD
Add: 218 WEI18 ROAD,YUEIQNG ECONOMIC DEVELOPMENT ZONE,YUEQING CITY,WENZHOU CITY,ZHEJIANG PROVINCE,CHINA
Tel: 0086-13336999667
Email: Picasso@wincoair.com/Picasso@188.com