·Motion Pattern:Fitered Air
·Compression Pressure:1.5MPa~7MPa
·Max.Operating Pressure:9.5MPa
·Three-Rod Pneumatic Cylinder with Guide Rod

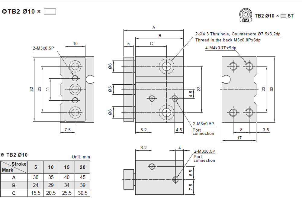
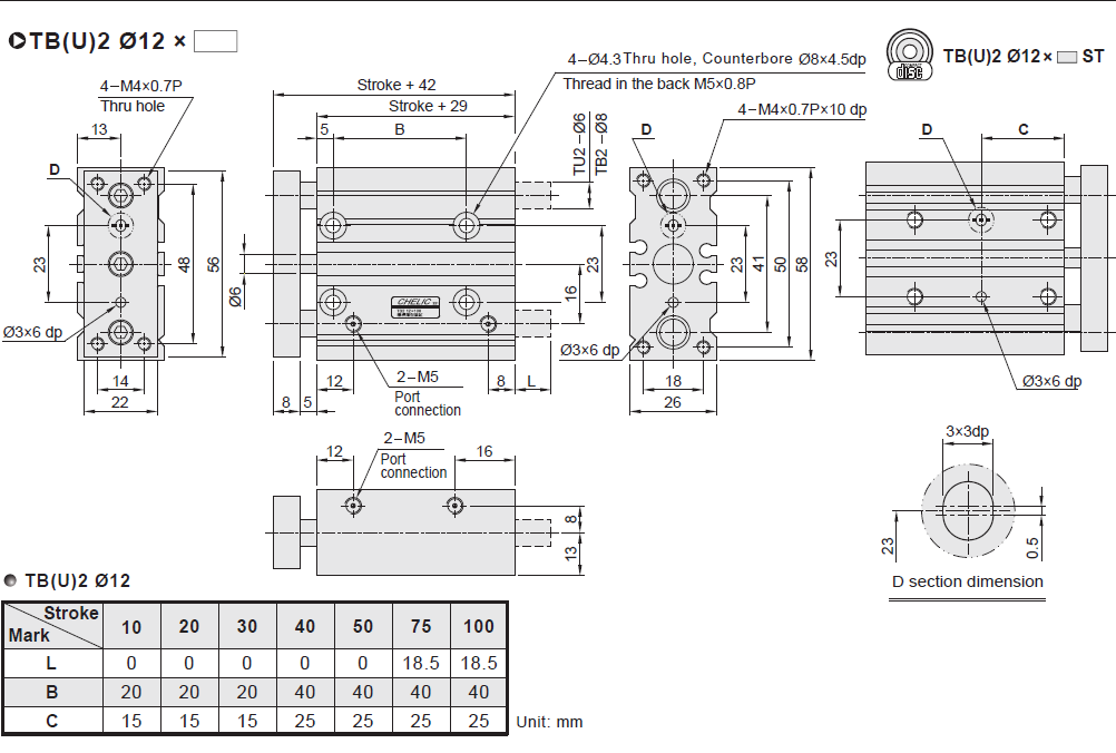
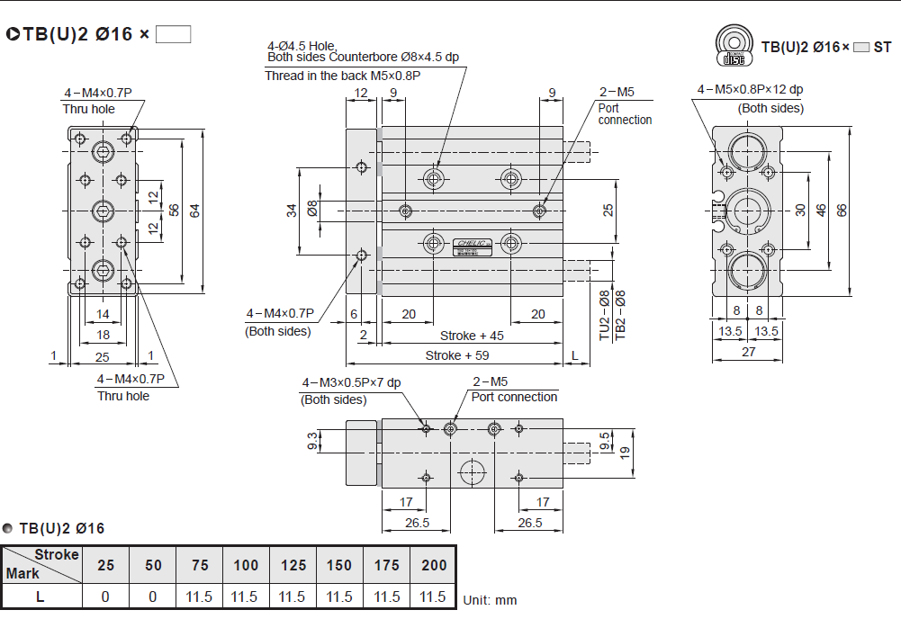
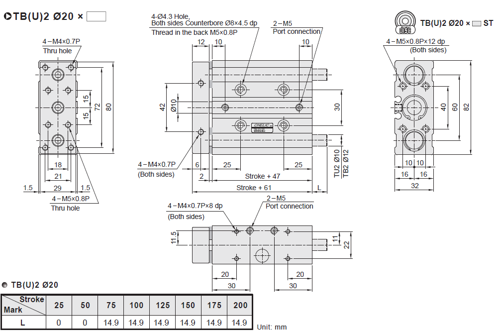
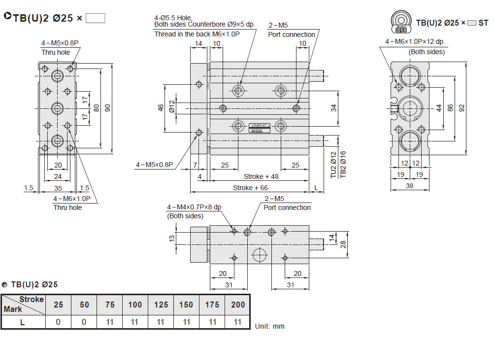
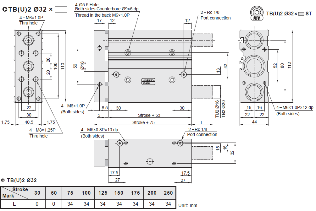
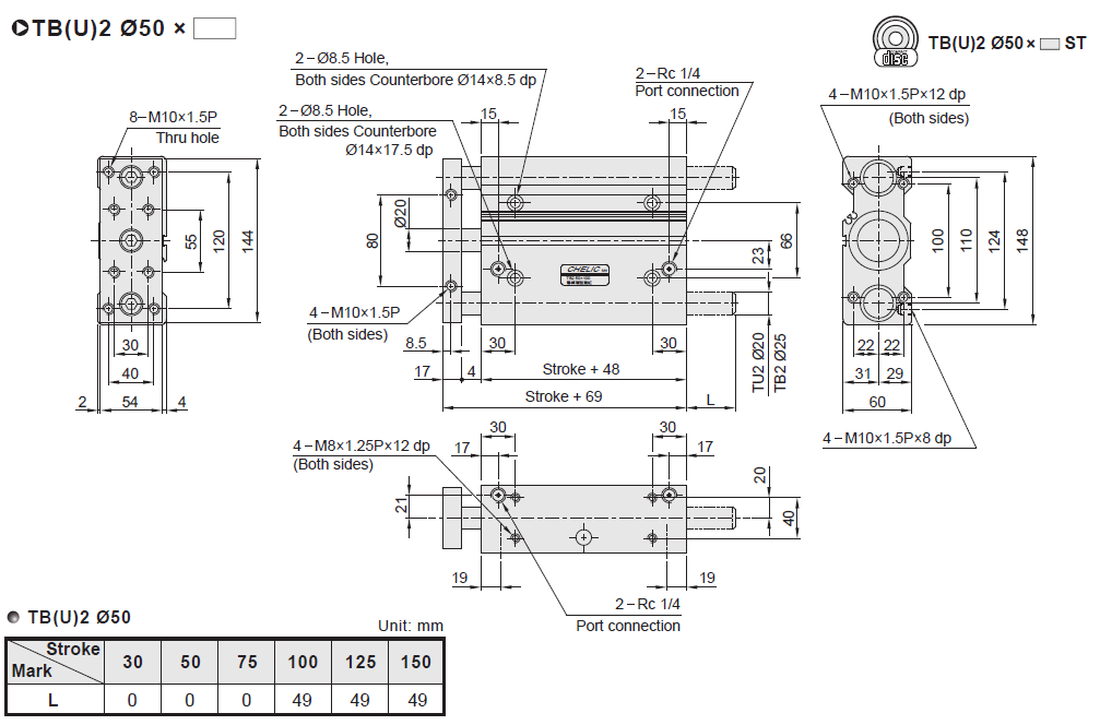
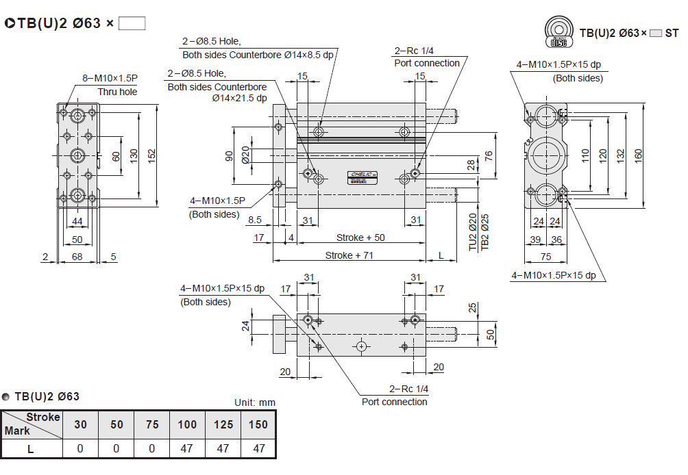
| Bore(mm) | 10 | 16 | 20 | 25 | 32 | 40 | 50 | 63 |
| Working medium | double action | |||||||
| Motion pattern | Fitered Air | |||||||
| Compression Pressure | 1.5MPa-7Mpa | |||||||
| Max.Operating Pressure | 9.5MPa | |||||||
| Buffer | Air Buffer | |||||||
| Condition Temperature | 0-60℃ | |||||||
| Operating Speed | 50-500mm/s | 50-350mm/s | ||||||
| Port Size | M5x0.8 | RC1/8 | RC1/4 | |||||









TCM/TCL Series Three-Rod Guide Pneumatic Cylinder - Three-Axis Pneumatic Slide Cylinder with Guide Rod
TB Series Three-Rod Guide Pneumatic Cylinder - Three-Axis Slide Cylinder with Guide Rod for Industrial Applications
MGPW Compact Guide Cylinder - Wide Type Three-Rod Guide Pneumatic Cylinder /Three-Axis Pneumatic Cylinder with Guide Rod
JMGP Series Three-Rod Guide Pneumatic Cylinder - Three-Axis Slide Cylinder with Guide Rod for Industrial Applications
Autoair Pneumatic CO., LTD
Add: 218 WEI18 ROAD,YUEIQNG ECONOMIC DEVELOPMENT ZONE,YUEQING CITY,WENZHOU CITY,ZHEJIANG PROVINCE,CHINA
Tel: 0086-13336999667
Email: Picasso@wincoair.com/Picasso@188.com