·Double acting with adjustable end buffer
·Magnetic pistons for position sensing
·Easy installation, the end cover can be flexibly rotated
·Rodless Pneumatic Air Cylinders
OSP - P | 25 | 口 | 口 | 口 | 口 | 口 | 01500 |
Series No. | Bore Diameter | Piston Installation | Air Supply Port | Seal | Sealing Grease | Screw | Stroke Length |
10 = 10mm | 0 = Standard | 0 = Standard | 0 = Standard | 0 = Standard | 0 = Standard | 0 - 6000mm | |
16 = 16mm | 1 = On the End Face | ||||||
25 = 25mm | 2 = Air Inlet at Both Ends | ||||||
32 = 32mm | A = VOE 24V | ||||||
40 = 40mm | 1 = Series Connection | B = VOE 230V - 110V | 1 = Fluororubber | 1 = Low Speed | 1 = Stainless Steel | ||
50 = 50mm | C = VOE 48V | ||||||
63 = 63mm | E = VOE 110V | ||||||
80 = 80mm |
Characteristic Description | Symbol | Unit | Description | |
General Characteristics | ||||
Type | Rodless cylinder | |||
Series | OSP - P | |||
System | Dual - direction drive, with buffer and positioning sensing capabilities | |||
Support | Bell mouth | |||
Air Inlet Interface | Threaded interface | |||
Ambient and Medium Temperature | T min | °C | -10 - +80 (Other temperature ranges can be customized) | |
T max | °C | |||
Installation | Any position | |||
Medium | Filtered, Unlubricated compressed air (Other media can be customized) | |||
Lubricating Oil | Permanently lubricated (No additional mist lubrication required) | |||
Special low - flow lubricating oil can be selected | ||||
Material | Cylinder Barrel | Anodized aluminum | ||
Material - Slide (Piston) | Anodized aluminum | |||
Material - End Cover | Aluminum, painted | |||
Material - Sealing Strip | Corrosion - resistant steel strip | |||
Material - Sealing Element | NBR | |||
Material - Screw | Electroplated Steel, optional: stainless steel | |||
Material - Dust - proof Cover | Plastic | |||
Maximum Operating Pressure | P max | bar | 8 | |
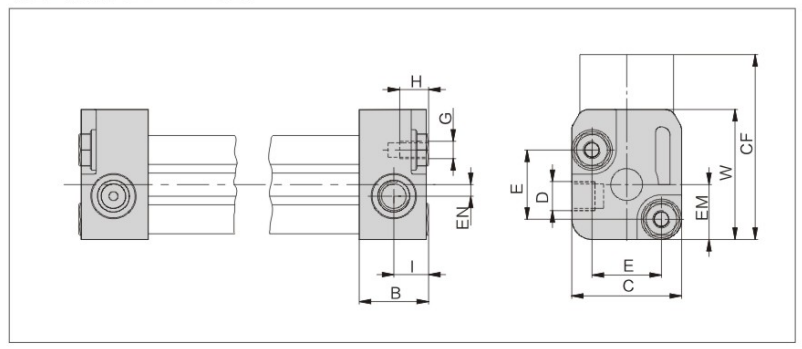
Basic cylinder size OSP-P10

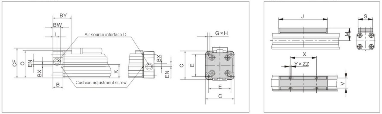
End cap/air source interface

Slider OSP-P10


Basic cylinder size OSP-P16-P80

End cap/air source interface can be rotated 4X90°
OSP-P16-P32

OSP-P40-P80 Slider OSP-P16-P80


OSP Series Pneumatic Rodless Cylinders - Magnetically Coupled Rodless Actuators for Industrial Automation
DGC-K Series Pneumatic Rodless Cylinders - Magnetically Coupled Rodless Actuators -Industrial Pneumatic Air Cylinders
CY3 Series Pneumatic Rodless Cylinders - Magnetically Coupled Rodless Actuators for Industrial Automation
Autoair Pneumatic CO., LTD
Add: 218 WEI18 ROAD,YUEIQNG ECONOMIC DEVELOPMENT ZONE,YUEQING CITY,WENZHOU CITY,ZHEJIANG PROVINCE,CHINA
Tel: 0086-13336999667
Email: Picasso@wincoair.com/Picasso@188.com