Fluid | Air |
Ensured Pressure Resistance | 1.5Mpa(15.3kgf/cm2) |
Max.pressure | 1.0Mpa(10.2kgf/cm2) |
Buffering | (Rubber bumper) |
Tolerance of stroke | +1.4 (mm) |
*Lubrication | Not required |

Bore(mm) | 20 | 32 | 40 | 50 |
Motion Pattern | Double acting,Double acting with spring loaded,Single acting(Spring extend) | |||
Fluid | Air | |||
Ensured Pressure Resistance | 1.5Mpa(15.3kgf/cm2) | |||
Max.pressure | 1.0Mpa(10.2kgf/cm2) | |||
Ambient and fluid temperature | -10~+70℃:(Without auto switch:No freezing)+60℃ | |||
Buffering | (Rubber bumper) | |||
Tolerance of stroke | +1.4 (mm) | |||
*Lubrication | Not required | |||
Mounting | Through-hole,Both ends tapped common | |||
Port size | RC(PT1/8) | |||

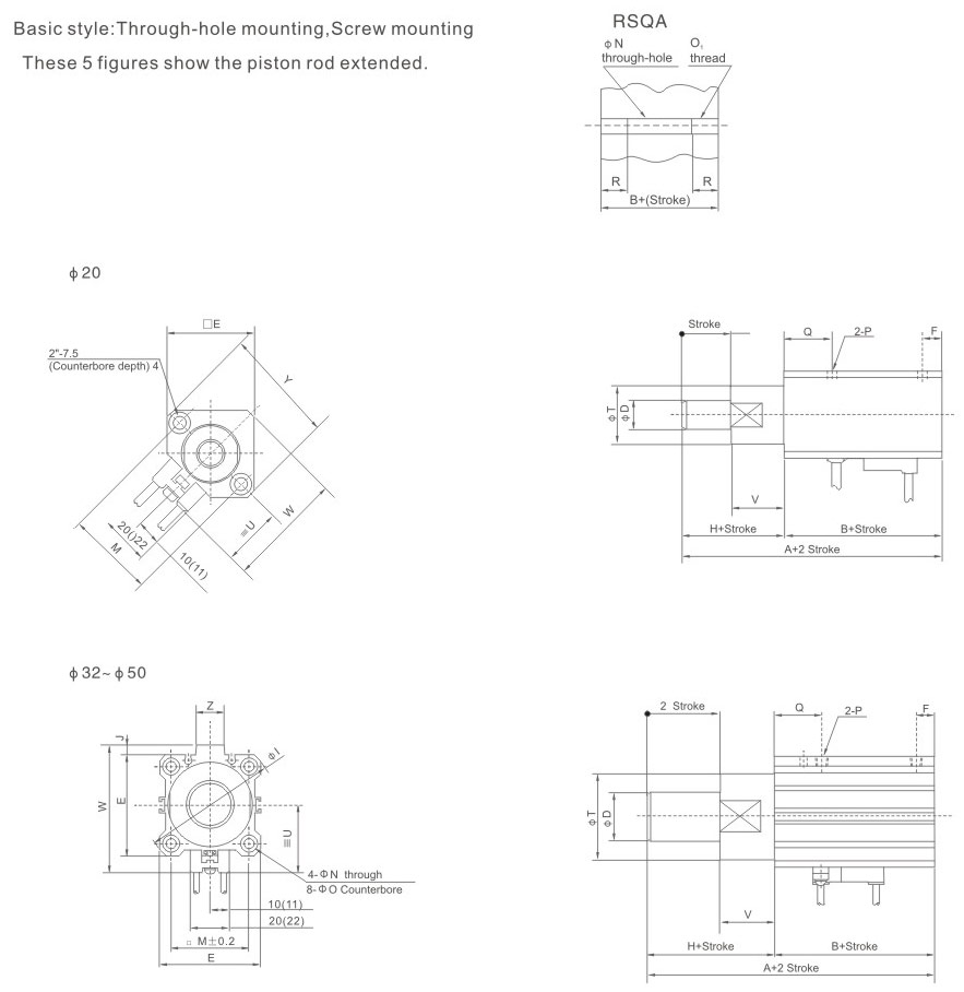
Model | B | N | Q1 | R |
RS□QA20 | 45 | 5.5 | M6×1 | 10 |
RS□QA32 | 48 | 5.5 | M6×1 | 10 |
RS□QA40 | 52.5 | 5.5 | M6×1 | 10 |
RS□QA50 | 54 | 6.6 | M8×1.25 | 14 |
Bore(mm) | A | B | D | E | F | G | H | I | MJ | N | O | P | Q | T | U | V | W | Y | Z | |
20 | 67 | 45 | 12 | 36 | 8 | 4 | 22 | - | - | 36 | 5.5 | 9 7 | Rc 1/8 | 20 | 24 | 24.5 | 22 | 48 | 47 | - |
32 | 68 | 48 | 20 | 45 | 7.5 | 8 | 20 | 60 | 4.5 | 34 | 5.5 | 9 7 | Rc 1/8 | 20 | 36 | 31.5 | 20 | 58.5 | - | 14 |
40 | 80.5 | 52.5 | 25 | 52 | 8 | 10 | 28 | 69 | 5 | 40 | 5.5 | 9 7 | Rc 1/8 | 24.5 | 44 | 35 | 28 | 66 | - | 14 |
50 | 82 | 54 | 25 | 64 | 8 | 10 | 28 | 86 | 7 | 50 | 6.6 | 11 8 | Rc 1/8 | 24.5 | 56 | 41 | 28 | 80 | - | 19 |
Bore(mm) | 20 | 32 | 40 | 50 | |
Mounting | Through- hole | ● | ● | ● | ● |
| Both ends tapped style | ● | ● | ● | ● | |
Built-in magnet | ● | ● | ● | ● | |
Piping | Screw-in type | RC 1/8 | |||
| Built-in One-touch fitings | Φ6/4 | Φ8/6 | |||
Action | Double acting Single acting(Single extend) , Double acting with spring loaded | ||||
Rod end configuration | Round bar | ● | ● | ||
| Chamfered | ● | ● | |||
| Roller type | ● | ● | |||
| Lever type | - | ● | |||
Bore size(mm) | Rod end configuration | ||
Round bar, Chamfered type | Roller type | Lever type with shock absober | |
20 | 10.15.20 | 10.15.20 | 10.15.20 |
32 | |||
40 | 20.25.30 | 20.25.30 | 20.25.30 |
50 | |||
TSAI Series Dual Rod Double Guided Pneumatic Cylinders - China Twin Rod Guide Frame Air Cylinders for Industrial Use
TMIC Series Dual Rod Double Guided Pneumatic Cylinders - China Twin Rod Guide Frame Air Cylinders for Industrial Automation
MGG Guide Cylinder - Dual Rod Double Guided Pneumatic Cylinders | China Twin Rod Guided Air Cylinders for Industrial Use
SRC Series Twist Clamp Cylinder
Autoair Pneumatic CO., LTD
Add: 218 WEI18 ROAD,YUEIQNG ECONOMIC DEVELOPMENT ZONE,YUEQING CITY,WENZHOU CITY,ZHEJIANG PROVINCE,CHINA
Tel: 0086-13336999667
Email: Picasso@wincoair.com/Picasso@188.com