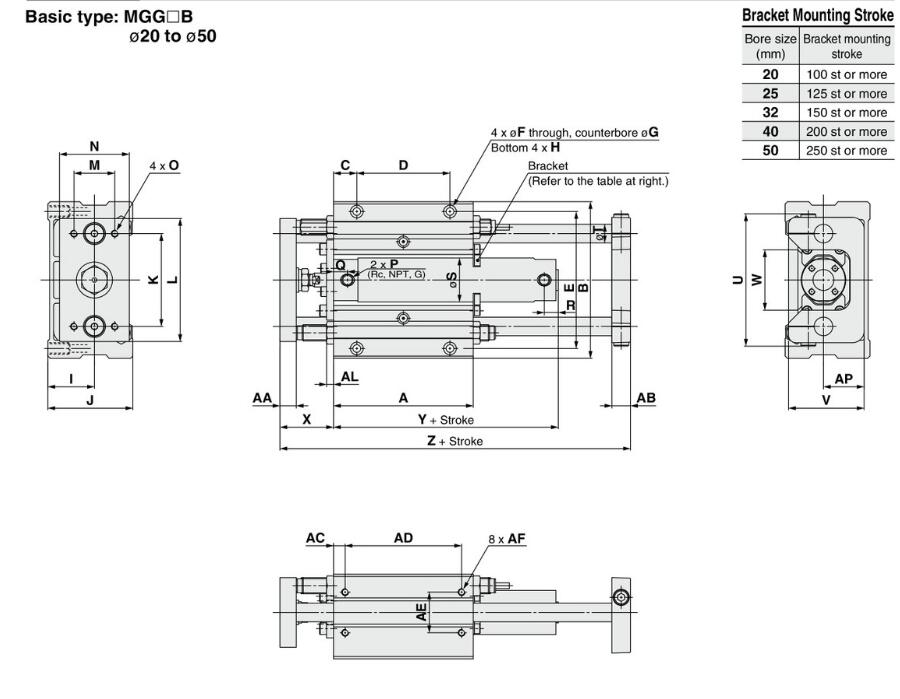
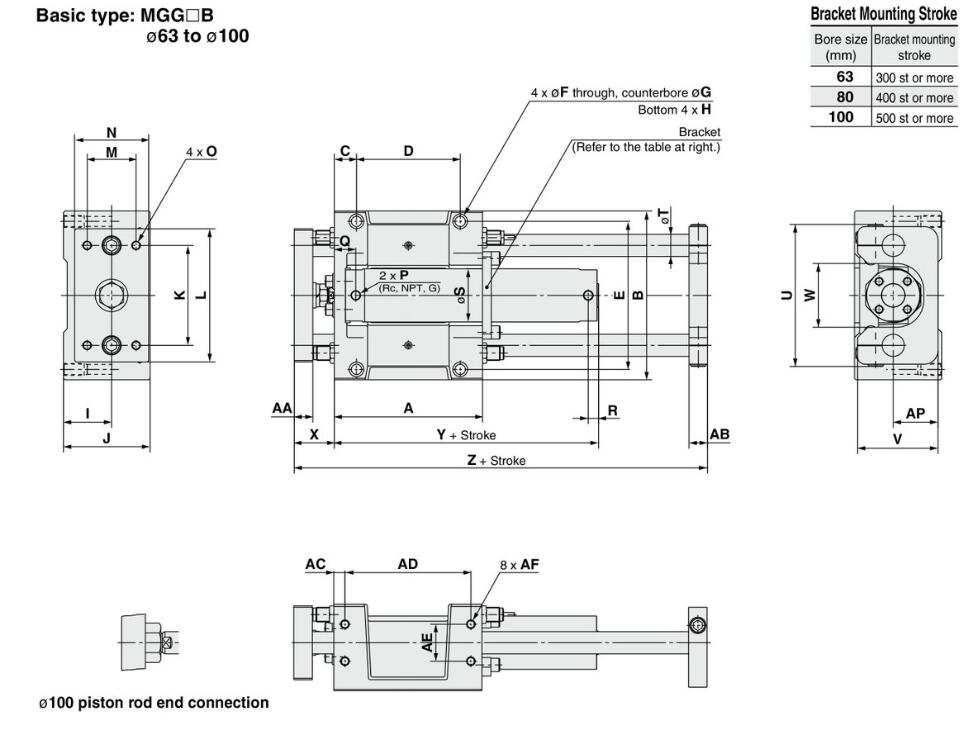
・Basic cylinder with integrated guide rods in a compact configuration
・A linear transfer unit that achieves lateral load resistance and high non-rotating accuracy
| Model | MGG 20 | MGG 25 | MGG 32 | MGG 40 | MGG 50 | MGG 63 | MGG 80 | MGG 100 | |
| Action | Double Acting | ||||||||
| Fluid | Air | ||||||||
| Proof pressure | 1.5MPa | ||||||||
| Max Pressure | 1.0MPa | ||||||||
| Min Pressure | 0.15MPa(Horizontal with no load) | ||||||||
| Cushion | Basic cylinder | Rubber bumper | |||||||
| Guide unit | Built-in shock absorbers(2pcs) | ||||||||
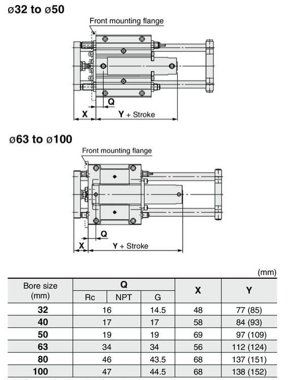
| Piping port size | 1/8 | 1/4 | 3/8 | 1/2 | |||||










TSAI Series Dual Rod Double Guided Pneumatic Cylinders - China Twin Rod Guide Frame Air Cylinders for Industrial Use
TMIC Series Dual Rod Double Guided Pneumatic Cylinders - China Twin Rod Guide Frame Air Cylinders for Industrial Automation
MGG Guide Cylinder - Dual Rod Double Guided Pneumatic Cylinders | China Twin Rod Guided Air Cylinders for Industrial Use
SRC Series Twist Clamp Cylinder
Autoair Pneumatic CO., LTD
Add: 218 WEI18 ROAD,YUEIQNG ECONOMIC DEVELOPMENT ZONE,YUEQING CITY,WENZHOU CITY,ZHEJIANG PROVINCE,CHINA
Tel: 0086-13336999667
Email: Picasso@wincoair.com/Picasso@188.com