Working Medium | Air |
Ensured Pressure Resistance | 1.5Mpa(15kgf/cm2) |
Mix. Working Pressur | 1.0Mpa(10kgf/cm2) |
Min. Working Pressur | 0.1Mpa(1kgf/cm2) |
Temperature Range | -5~60℃ |
Piston Speed | 50~500mm/s |

Bore(mm) | 40 | 50 | 63 | 80 |
Working Medium | Air | |||
Ensured Pressure Resistance | 1.5Mpa(15kgf/cm2) | |||
Mix. Working Pressur | 1.0Mpa(10kgf/cm2) | |||
Min. Working Pressur | 0.1Mpa(1kgf/cm2) | |||
Temperature Range | -5~60℃ | |||
Piston Speed | 50~500mm/s | |||
Air Buffer | Yes | |||
Lubrication | No Need | |||
Thread Tolerance | 6H | |||
Stroke Tolerance |
+1.5 | |||
Speed Controller | Yes | |||
Mounting Type | Double Ear Ring | |||
Port Size | G1/4" | G3/8" | ||
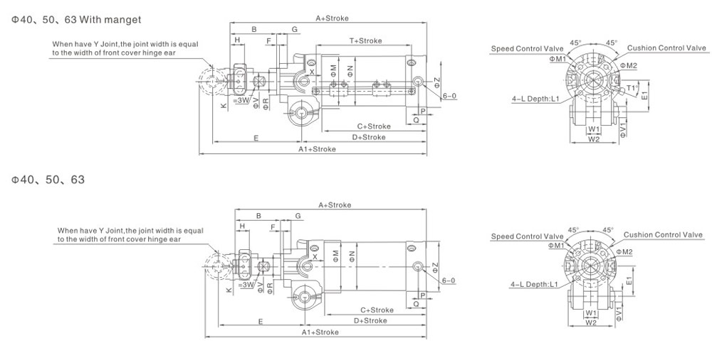
Bore(mm) | A | A1 | B | C | D | E | E1 | F | G | H | K | L | L1 | M | M1 | M2 | N | O | P | Q | R | V | V1 | W | W1 | W2 | X | Z | T | T1 | |
XCKA | XCKB | ||||||||||||||||||||||||||||||
40 | 162 | 196 | 51 | 59 | 84 | 97 | 35 | 3 | 11.5 | 16 | M16X1.5 | M6X1 | 13 | 52 | 40 | 50 | 45 | 1/4 | 9 | 21 | 30 | 20 | 12 | 17 | 16.5 | 19.5 | 54 | 20 | 47 | 54 | 24 |
50 | 165 | 199 | 51 | 65 | 87 | 97 | 35 | 3 | 11.5 | 16 | M16X1.5 | M6X1 | 12 | 60 | 40 | 50 | 55 | 1/4 | 9.5 | 23 | 30 | 20 | 12 | 17 | 16.5 | 19.5 | 54 | 19 | 57 | 54 | 22 |
63 | 167 | 201 | 51 | 67 | 87 | 97 | 35 | 3 | 11.5 | 16 | M16X1.5 | M6X1 | 12 | 74 | 40 | 50 | 68 | 1/4 | 9.5 | 23 | 30 | 20 | 12 | 17 | 16.5 | 19.5 | 54 | 19 | 70 | 54 | 22 |
TSAI Series Dual Rod Double Guided Pneumatic Cylinders - China Twin Rod Guide Frame Air Cylinders for Industrial Use
TMIC Series Dual Rod Double Guided Pneumatic Cylinders - China Twin Rod Guide Frame Air Cylinders for Industrial Automation
MGG Guide Cylinder - Dual Rod Double Guided Pneumatic Cylinders | China Twin Rod Guided Air Cylinders for Industrial Use
SRC Series Twist Clamp Cylinder
Autoair Pneumatic CO., LTD
Add: 218 WEI18 ROAD,YUEIQNG ECONOMIC DEVELOPMENT ZONE,YUEQING CITY,WENZHOU CITY,ZHEJIANG PROVINCE,CHINA
Tel: 0086-13336999667
Email: Picasso@wincoair.com/Picasso@188.com