Products
Products


Home > Products > Pneumatic Cylinders > Mini Pneumatic Cylinder
MA Series Mini Cylinder
  • MA Series Mini Cylinder
  • MA Series Mini Cylinder

MA Series Mini Cylinder

Motion pattern

Double Action or Single Action

Working Medium

Air

Operating Voltage Range

0.1~0.9MPa

Ensured Pressure Resistance

1.35MPa

Operating Temperature Range

-5~70℃

Operating Speed Range

50~800mm/s                                      

Consult Immediately

Ordering Code

                       

Specification

Bore(mm)

16

20

25

32

40

Motion pattern

Double Action or Single Action

Working Medium

Air

Fixed Type

Normal Type LB/Type FA/Type SDB/Type U/Type

Operating Voltage Range

0.1~0.9MPa

Ensured Pressure Resistance

1.35MPa

Operating Temperature Range

-5~70℃

Operating Speed Range

50~800mm/s

Buffer Type

Standard Type

Anti-crash cushion

Damping Type

-

Adjustable cushion

Pipe Size

M5×0.8

G1/8"

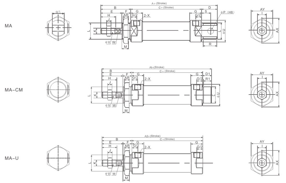
Overall Dimensions

Bore/Symbol

A

A1

A2

B

C

D

D1

E

F

G

H

I

J

K

16

114

114

98

38

60

16

16

22

16

10

16

10

5

M6×1

20

137

128

116

40

76

21

12

28

12

16

20

12

6

M8×1.25

25

141

134

120

44

76

21

14

30

14

16

22

17

6

M10×1.25

32

147

134

120

44

76

27

14

30

14

16

22

17

6

M10×1.25

40

149

136

122

46

76

27

14

32

14

16.7

24

17

7

M12×1.25


Bore/Symbol

L

M

P

Q

R

R1

S

U

V

W

X

AR

AX

AY

16

M16×1.5

14

6

12

14

14

9

21

6

5

M5

6

24

27.5

20

M22×1.5

10

8

16

19

10

12

27

8

6

G1/8"

7

33

29

25

M22×1.5

12

8

16

19

12

12

30

10

8

G1/8"

7

33

29

32

M24×2.0

12

10

16

25

12

15

35

12

10

G1/8"

8

37

32

40

M30×2.0

12

12

20

25

12

15

41.6

16

14

G1/8"

9

47

41


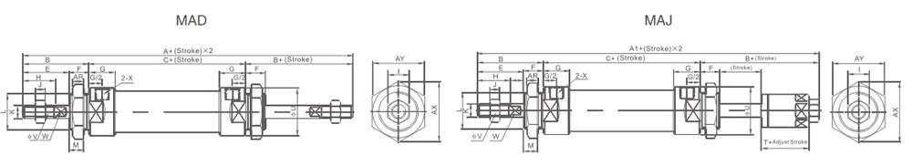
Symbol

A

A1

A2

B

C

D

D1

E

F

G

H

I

J

Bore/Stroke

0-50

51-100

0-50

51-100

0-50

51-100

0-50

51-100

16

114

139

128

153

98

123

38

60

85

16

16

22

16

10

16

10

5

20

137

162

134

159

116

141

40

76

101

21

12

28

12

16

20

12

6

25

141

166

134

159

120

145

44

76

101

21

14

30

14

16

22

17

6

32

147

172

136

161

120

145

44

76

101

27

14

30

14

16

22

17

6

40

149

174

122

144

122

147

46

76

101

27

14

32

14

22

24

17

7

Inside Diameter/Symbol

K

L

M

P

Q

R

R1

S

U

V

W

X

AR

AX

AY

16

M6×1

M16×1.5

14

6

12

14

14

9

21

6

5

M5

6

25

22

20

M8×1.25

M22×1.5

10

8

16

19

10

12

27

8

6

G1/8"

7

33

29

25

M10×1.25

M22×1.5

12

8

16

19

12

12

30

10

8

G1/8"

7

33

29

32

M10×1.25

M24×2.0

12

10

16

25

12

15

35

12

10

G1/8"

8

37

32

40

M12×1.25

M30×2.0

12

12

20

25

12

15

41.6

16

14

G1/8"

9

47

41


Other info


NO.   Designation 1 Piston Rod Nut 3 Front Cover Seal Ring 5 Front Cover Nut 7 Stainless steel tube 9 Piston 11 Magnet(Optional) 13 Seal cushion 15 Back Cover
NO. Designation 2 Piston Rod 4 Oiled Bearing 6 Front Cover 8 Anti-crash cushion 10 Piston O-Ring 12 Wear Ring 14 Hex socket screw



Bore(mm)

Standard Stroke

Max.Stroke

Permissible Stroke

16

25 50 75 80 100 125 160 175 200

300

500

20

25 50 75 80 100 125 160 175 200 250 300

500

650

25

25 50 75 80 100 125 160 175 200 250 300 350 400 450 500

500

650

32

25 50 75 80 100 125 160 175 200 250 300 350 400 450 500

500

650

40

25 50 75 80 100 125 160 175 200 250 300 350 400 450 500

500

650


Inquiry

If you have any comments and suggestions to our company, please leave a message here.

Your message will give me a great help, we will reply as soon as possible. Sincerely thank you for your attention and support!

Products RecommendedMore popular products+
MA6432 Series Mini Cylinder(ISO6432)

MA6432 Series Mini Cylinder(ISO6432)

MA6432 Series Mini Cylinder(ISO6432)

MA Series Mini Cylinder

MA Series Mini Cylinder

MA Series Mini Cylinder

MAL Series Mini Cylinder

MAL Series Mini Cylinder

MAL Series Mini Cylinder

CJ2 Series Mini Cylinder

CJ2 Series Mini Cylinder

CJ2 Series Mini Cylinder

Access exclusive offers, news, and more.

Products
Pneumatic Cylinders Air Source Treatment Units Directional Valves Fluid Solenoid Valve Pneumatic Accessories
QUIK LINKS
About Us Products News Contact Us
CONTACT US

Autoair Pneumatic CO., LTD

Add: 218 WEI18 ROAD,YUEIQNG ECONOMIC DEVELOPMENT ZONE,YUEQING CITY,WENZHOU CITY,ZHEJIANG PROVINCE,CHINA

Tel: 0086-13336999667
Email: Picasso@wincoair.com/Picasso@188.com

Copyright © 2023 Autoair Pneumatic CO., LTD All Rights Reserved. Sitemap Support:Ksion