Products
Products


Home > Products > Pneumatic Cylinders > Dual Rod Pneumatic Cylinders
CXS Series Dual Rod Pneumatic Double-Shaft Cylinders - China Twin Rod Guided Air Cylinders for Industrial Use
  • CXS Series Dual Rod Pneumatic Double-Shaft Cylinders - China Twin Rod Guided Air Cylinders for Industrial Use
  • CXS Series Dual Rod Pneumatic Double-Shaft Cylinders - China Twin Rod Guided Air Cylinders for Industrial Use
  • CXS Series Dual Rod Pneumatic Double-Shaft Cylinders - China Twin Rod Guided Air Cylinders for Industrial Use

CXS Series Dual Rod Pneumatic Double-Shaft Cylinders - China Twin Rod Guided Air Cylinders for Industrial Use

Working Medium

Air

Motion Pattern

Double action

Ensured Pressure Resistance

1.05Mpa(10.7kgf/cm2)

Max.pressure

0.7Mpa(7.1kgf/cm2)

Operating Temperature Range

5~+60℃

Buffering

Both ends buffer

Consult Immediately

Ordering Code

                       

Specification

Bore(mm)

6

10

15

20

25

32

Working Medium

Air

Motion Pattern

Double action

Ensured Pressure Resistance

1.05Mpa(10.7kgf/cm2)

Max.pressure

0.7Mpa(7.1kgf/cm2)

Min.pressure

0.15Mpa(1.5kgf/cm2)

0.1Mpa(1.0kgf/cm2)

0.05Mpa(0.51kgf/cm2)

Operating Temperature Range

5~+60℃

Buffering

Both ends buffer

Structare

Double Power

Stroke Adjustable Range

(Return Stroke)0~5mm

Bearing

Slide Bearing/Ball Guide Bearing

Precision of
Piston rod Non-rotating

Slide Bearing

±0.1

±0.15

±0.13

±0.11

±0.1

±0.08

Ball Guide Bearing

±0.1

±0.1

±0.07

±0.06

±0.05

±0.04

Port size

M5×0.8

G1/8"

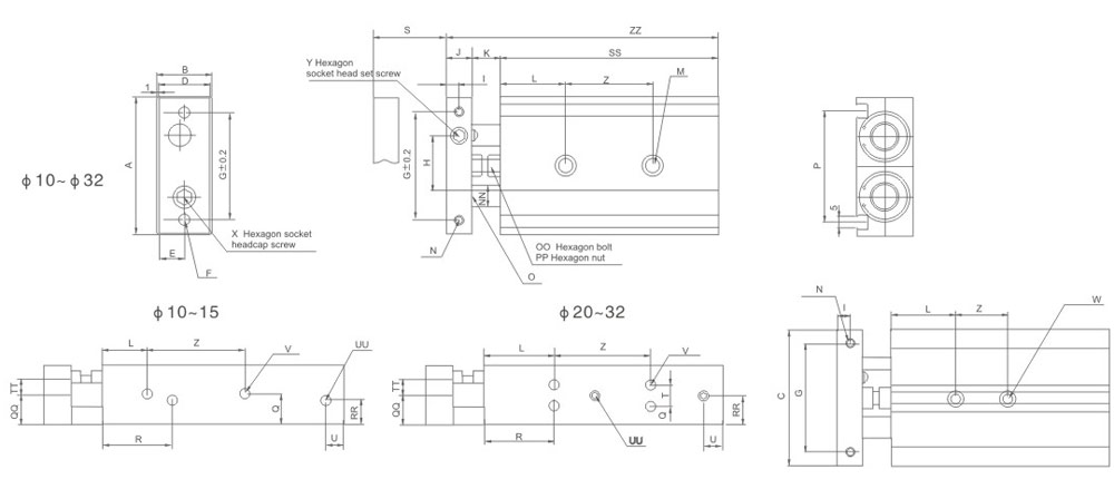
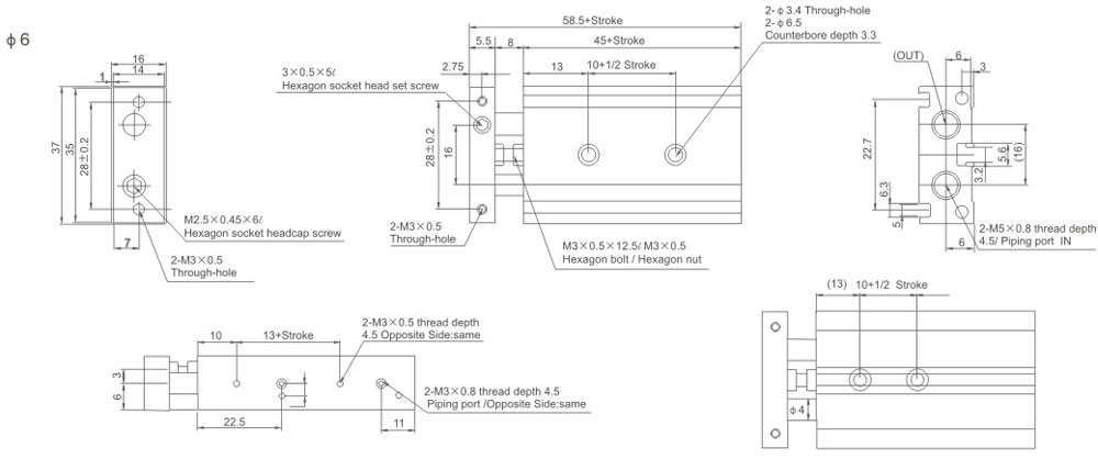
Overall Dimensions


Model

Stroke

10+1/2Stroke

13+Stroke

45+Stroke

58.5+Stroke

CXS□6-10

10

15

23

55

68.5

CXS□6-20

20

20

33

65

78.5

CXS□6-30

30

25

43

75

88.5

CXS□6-40

40

30

53

85

95.5

CXS□6-50

50

35

63

95

108.5



Model

A

B

C

D

E

F

G

H

I

J

K

L

M

N

NN

O

OO

P

CXS 10-10
/20/30/40/50

46

17

44

15

7.5

2-M4×0.7

35

20

4

8

9

20

2-Φ3.4through
2-Φ6.5
Counterbore depth3.3

2-M3×0.5
thread depth 5

Φ6

5

M4×0.7×14.5L

33.6

CXS 15-10
/20/30/40/50

58

20

56

18

9

2-M5×0.8

45

25

5

10

9

30

2-Φ4.3through
2-Φ8
Counterbore depth4.4

2-M4×0.7
thread depth 6

Φ8

6

M4×0.7×14.5L

48

CXS 20-10/20/
30/40/50/75/100

64

25

62

23

11.5

2-M5×0.8

50

28

6

12

12

30

2-Φ5.5through
2-Φ9.5
Counterbore depth5.3

2-M4×0.7
thread depth 6

Φ10

8

M6×1.0×18.5L

53

CXS 25-10/20/
30/40/50/75/100

80

30

78

28

14

2-M6×1.0

60

35

6

12

12

30

2-Φ6.9through
2-Φ11
Counterbore depth6.3

2-M5×0.8
thread depth 7.5

Φ12

10

M6×1.0×18.5L

64

CXS 32-10/20/
30/40/50/75/100

98

38

96

36

18

2-M6×1.0

75

44

8

16

14

30

2-Φ6.9through
2-Φ11
Counterbore depth6.3

2-M5×0.8
thread depth 8

Φ16

13

M8×12.5×23L

76



Model

PP

Q

QQ

R

RR

T

TT

U

UU

V

W

X

Y

CXS 10-10
/20/30/40/50

M4×0.7

8.5

7

30

7

-

5

8

4-M5×0.8
thread depth 4.5

4-M3×0.5
thread depth 4.5

2-M4×0.7
thread depth 7

M3×0.5×10L

M3×0.5×5L

CXS 15-10
/20/30/40/50

M4×0.7

10

10

38.5

10

-

5

8

4-M5×0.8
thread depth 4.5

4-M4×0.7
thread depth 5

2-M5×0.8
thread depth 8

M5×0.8×10L

M4×0.7×4L

CXS 20-10/20/
30/40/50/75/100


M6×1.0


7.75


12.5


45


7.75


9.5


6.5


8

4-M5×0.8
thread depth 4.5

8-M4×0.7
thread depth 6

2-M6×1.0
thread depth 10


M6×1.0×12L


M5×0.8×5L

CXS 25-10/20/
30/40/50/75/100

M6×1.0

8.5

15

46

15

13

9

9

4-1/8
thread depth 6.5

8-M5×0.8
thread depth 7.5

2-M8×1.25
thread depth 12

M6×1.0×14L

M6×1.0×5L

CXS 32-10/20/
30/40/50/75/100

M8×1.25

9

19

56

19

20

11.5

10

4-1/8
thread depth 6.5

8-M5×0.8
thread depth 7.5

2-M8×1.25
thread depth 12

M8×1.25×16L

M8×1.25×8L


Model

S

SS

Z

ZZ

Model

S

SS

Z

ZZ

Model

S

SS

Z

ZZ

Model

S

SS

Z

ZZ

Model

S

SS

Z

ZZ

CXS 10-10

10

65

30

82

CXS□15-10

10

70

25

89

CXS 20-10

10

80

30

104

CXS 25-10

10

82

30

106

CXS 32-10

10

92

40

122

CXS 10-20

20

75

92

CXS□15-20

20

80

99

CXS 20-20

20

90

114

CXS 25-20

20

95

116

CXS 32-20

20

102

132

CXS 10-30

30

85

40

102

CXS□15-30

30

90

35

109

CXS 20-30

30

100

40

124

CXS 25-30

30

102

40

126

CXS 32-30

30

112

50

142

CXS 10-40

40

95

112

CXS□15-40

40

100

119

CXS 20-40

40

110

134

CXS 25-40

40

112

136

CXS 32-40

40

122

152

CXS 10-50

50

105

122

CXS□15-50

50

110

129

CXS 20-50

50

120

144

CXS 25-50

50

122

146

CXS 32-50

50

132

162











CXS 20-75

75

145

60

169

CXS 25-75

75

147

60

171

CXS 32-75

75

157

70

187









CXS 20-100

100

170

194

CXS 25-100

100

172

196

CXS 32-100

00

182

212


Inquiry

If you have any comments and suggestions to our company, please leave a message here.

Your message will give me a great help, we will reply as soon as possible. Sincerely thank you for your attention and support!

Products RecommendedMore popular products+
CXSW Series Dual Rod Pneumatic Slide Cylinders - China Twin Rod Guided Air Cylinders for Industrial Automation

CXSW Series Dual Rod Pneumatic Slide Cylinders - China Twin Rod Guided Air Cylinders for Industrial Automation

CXSW Series Dual Rod Pneumatic Slide Cylinders - China Twin Rod Guided Air Cylinders for Industrial Automation

TN Series Double-Shaft Pneumatic Cylinders - China Dual Rod Guided Air Cylinders | Twin Rod Pneumatic Cylinders for Industrial Use

TN Series Double-Shaft Pneumatic Cylinders - China Dual Rod Guided Air Cylinders | Twin Rod Pneumatic Cylinders for Industrial Use

TN Series Double-Shaft Pneumatic Cylinders - China Dual Rod Guided Air Cylinders | Twin Rod Pneumatic Cylinders for Industrial Use

STM Series Dual Rod Double - Acting Pneumatic Slide Cylinders - China Twin Rod Guided Air Cylinders for Industrial Automation

STM Series Dual Rod Double - Acting Pneumatic Slide Cylinders - China Twin Rod Guided Air Cylinders for Industrial Automation

STM Series Dual Rod Double - Acting Pneumatic Slide Cylinders - China Twin Rod Guided Air Cylinders for Industrial Automation

CXS Series Dual Rod Pneumatic Double-Shaft Cylinders - China Twin Rod Guided Air Cylinders for Industrial Use

CXS Series Dual Rod Pneumatic Double-Shaft Cylinders - China Twin Rod Guided Air Cylinders for Industrial Use

CXS Series Dual Rod Pneumatic Double-Shaft Cylinders - China Twin Rod Guided Air Cylinders for Industrial Use

Access exclusive offers, news, and more.

Products
Pneumatic Cylinders Air Source Treatment Units Directional Valves Fluid Solenoid Valve Pneumatic Accessories
QUIK LINKS
About Us Products News Contact Us
CONTACT US

Autoair Pneumatic CO., LTD

Add: 218 WEI18 ROAD,YUEIQNG ECONOMIC DEVELOPMENT ZONE,YUEQING CITY,WENZHOU CITY,ZHEJIANG PROVINCE,CHINA

Tel: 0086-13336999667
Email: Picasso@wincoair.com/Picasso@188.com

Copyright © 2023 Autoair Pneumatic CO., LTD All Rights Reserved. Sitemap Support:Ksion