Products
Products


Home > Products > Pneumatic Cylinders > Compact Pneumatic Cylinder
SDA Series Compact Cylinder
  • SDA Series Compact Cylinder
  • SDA Series Compact Cylinder
  • SDA Series Compact Cylinder
  • SDA Series Compact Cylinder
  • SDA Series Compact Cylinder

SDA Series Compact Cylinder

Motion Pattern

Double Acting

Working Medium

Air

Operating Pressure Range

0.1~0.9MPa

Ensured Pressure Resistance

1.35MPa

Operating Temperature Range

-5~70℃

Buffer Type

Fixed Type Buffer

Consult Immediately

Ordering Code

                       

Specification

Bore(mm)

12

16

20

25

32

40

50

63

80

100

Motion Pattern

Double Acting

Single Action Extrusion type Single Action Drawing-in Type

-

Working Medium

Air

Operating Pressure Range

Double Action

0.1~0.9MPa

Single Action

0.2~0.9MPa

-

Ensured Pressure Resistance

1.35MPa

Operating Temperature Range

-5~70℃

Operating Speed Range

Double Action

30~500mm/s

30~350mm/s

30~250mm/s

Single Action

100~500mm/s

-

Buffer Type

Fixed Type Buffer

Port Size

M5×0.8

G1/8"

G1/4"

G3/8"

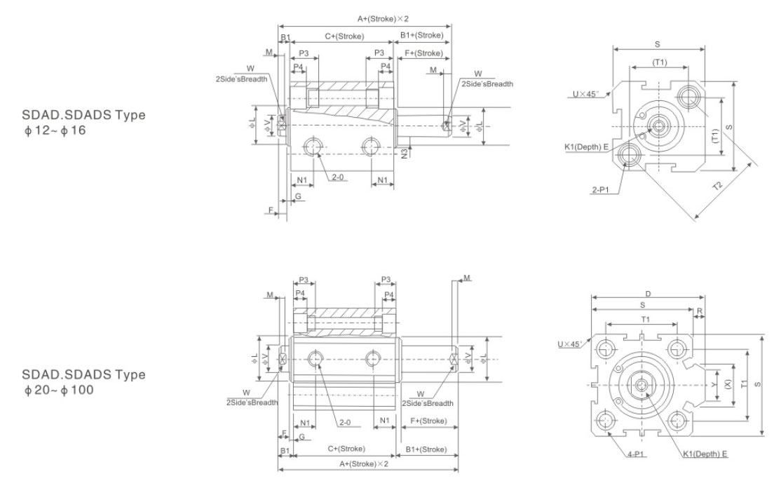
Overall Dimensions


Bore/Symbol

B2

E

F

G

H

I

J

K2

L

M

V

W

12

17

16

4

1

10

8

4

M5×0.8

10.2

2.8

6

5

16

17.5

16

4

1.5

10

8

4

M5×0.8

11

2.8

6

5

20

20.5

19

4

1.5

13

10

5

M6×1.0

16

2.8

8

6

25

23

21

4

2

15

12

6

M10×1.25

17

2.8

10

8

32

25

22

4

3

15

17

6

M10×1.25

22

2.8

12

10

40

35

32

4

3

25

19

8

M14×1.5

28

2.8

16

14

50

37

33

5

4

25

27

11

M18×1.5

38

2.8

20

17

63

37

33

5

4

25

27

11

M18×1.5

40

2.8

20

17

80

44

39

6

5

30

32

13

M22×1.5

45

4

25

22

100

50

45

7

5

35

36

13

M26×1.5

55

4

32

27



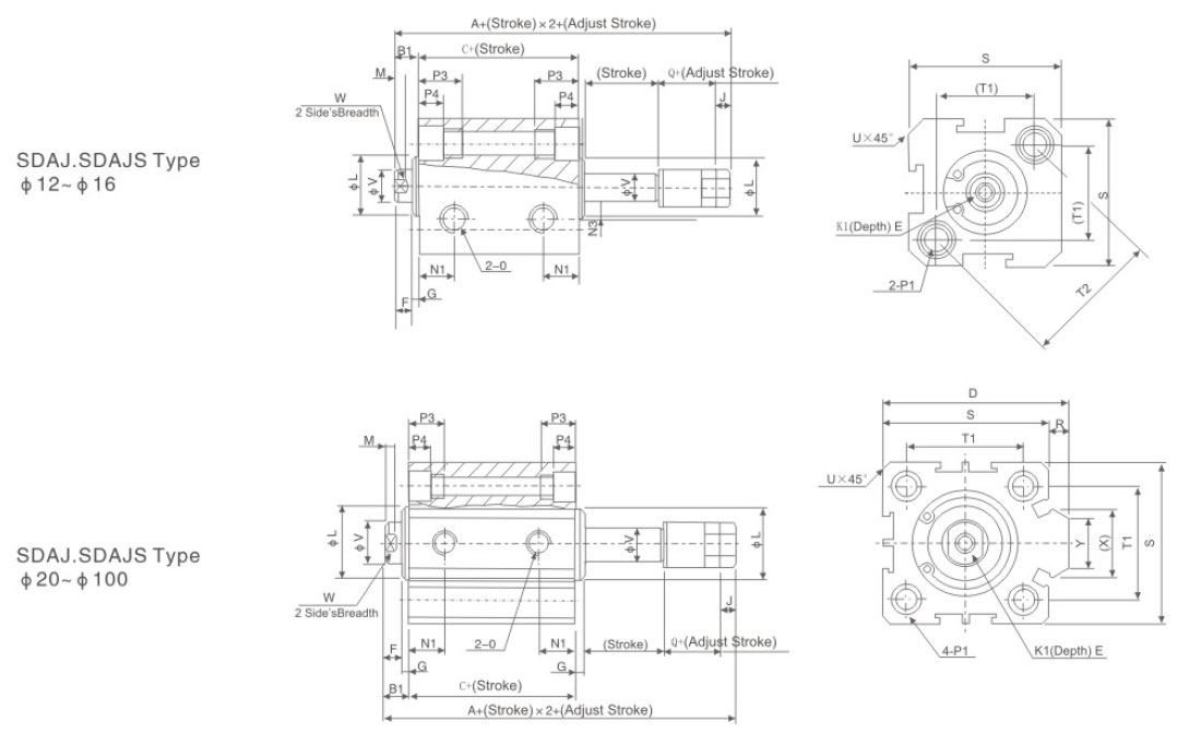
Type

Standard type

Attach Magnet

D

E

F

G

K1

L

M

N1

Bore Size/Symbol

A

B1

C

A

B1

C

Stroke≤10

Stroke>10

12

22

5

17

32

5

27

-

6

4

1

M3×0.5

10.2

2.8

6.3

16

24

5.5

18.5

34

5.5

28.5

-

6

4

1.5

M3×0.5

11

2.8

7.3

20

25

5.5

19.5

35

5.5

29.5

36

8

4

1.5

M4×0.7

15

2.8

7.5

25

27

6

21

37

6

31

42

10

4

2

M5×0.8

17

2.8

8

32

31.5

7

24.5

41.5

7

34.5

50

12

4

3

M6×1

22

2.8

9

40

33

7

28

43

7

36

58.5

12

4

3

M8×1.25

28

2.8

10

50

37

9

28

47

9

38

71.5

15

5

4

M10×1.5

38

2.8

10.5

63

41

9

32

51

9

42

84.5

15

5

4

M10×1.5

40

2.8

11.8

80

52

11

41

62

11

51

104

15

20

6

5

M14×1.5

45

4

14.5

100

63

12

51

73

12

61

124

18

20

7

5

M18×1.5

55

4

20.5



Bore Size/Symbol

N3

O

P1

P3

P4

R

S

T1

T2

U

V

W

X

Y

12

6

M5×0.8

Double Sides:Φ6.5/Thread:M5×0.8/Through ports:Φ4.2

12

4.5

-

25

16.2

23

1.6

6

5

-

-

16

6.5

M5×0.8

(Double Sides):Φ6.5/(Thread):M5×0.8/(Through ports):Φ4.2

12

4.5

-

29

19.8

28

1.6

6

5

-

-

20

-

M5×0.8

(Double Sides):Φ6.5/(Thread):M5×0.8/(Through ports):Φ4.2

14

4.5

2

34

24

-

2.1

8

6

11.3

10

25

-

M5×0.8

(Double Sides):Φ8.2/(Thread):M6×1.0/(Through ports):Φ4.6

15

5.5

2

40

28

-

3.1

10

8

12

10

32

-

G1/8"

(Double Sides):Φ8.2/(Thread):M6×1.0/(Through ports):Φ4.6

16

5.5

6

44

34

-

2.15

12

10

18.3

15

40

-

G1/8"

(Double Sides):Φ10/(Thread):M8×1.25/(Through ports):Φ6.5

20

7.5

6.5

52

40

-

2.25

16

14

21.3

16

50

-

G1/4"

(Double Sides):Φ11/(Thread):M8×1.25/(Through ports):Φ6.5

25

8.5

9.5

62

48

-

4.15

20

17

30

20

63

-

G1/4"

(Double Sides):Φ11/(Thread):M8×1.25/(Through ports):Φ6.5

25

8.5

9.5

75

60

-

3.15

20

17

28.7

20

80

-

G3/8"

(Double Sides):Φ14/(Thread):M12×1.75/(Through ports):Φ9.2

25

10.5

10

94

74

-

3.65

25

22

36

26

100

-

G3/8"

(Double Sides):Φ17.5/(Thread):M14×2/(Through ports):Φ11.3

30

13

10

114

90

-

3.65

32

27

35

26



Type

Standard Type

Attach magnet

D

E

F

G

K1

L

M

N1

Strbke

A

B1

C

A

B1

C

≤10

>10

≤10

>10

≤10

>10

≤10

>10

12

32

42

5

27

37

42

52

5

37

47

-

6

4

1

M3×0.5

10.2

2.8

6.3

16

34

44

5.5

28.5

38.5

44

54

5.5

38.5

48.5

-

6

4

1.5

M3×0.5

11

2.8

7.3

20

35

45

5.5

29.5

39.5

45

55

5.5

39.5

49.5

36

8

4

1.5

M4×0.7

16

2.8

7.5

25

37

47

6

34

41

47

57

6

41

51

42

10

4

2

M5×0.8

17

2.8

8

32

41.5

51.5

7

34.5

44.5

51.5

61.5

7

44.5

54.5

50

12

4

3

M6×1

22

2.8

9

40

43

53

7

36

46

53

63

7

46

56

58.5

12

4

3

M8×1.25

28

2.8

10




Other info




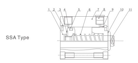
NO.

Designation

1

Back cover

3

O-ring

5

Piston

7

Anti-crash cushion

9

Front cover seal ring

11

Piston rod



NO.

Designation

2

Type C buckle ring

4

Anti-crash cushion

6

Piston O-ring

8

Barrel

10

Front cover

12

Piston Rod Nut


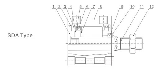
NO.

Designation

1

Back cover

3

Anti-crash cushion

5

Piston O-ring

7

Barrel

9

Cover O-ring

11

Piston rod



NO.

Designation

2

Type C buckle ring

4

Piston

6

Compressed spring

8

Silencer

10

Front cover


NO.

Designation

1

Back cover

3

Cover O-ring

5

Barrel

7

Piston

9

Anti-crash cushion

11

Front cover



NO.

Designation

2

Type C buckle ring

4

Silencer

6

Compressed spring

8

Piston O-ring

10

Frount cover seal ring

12

Piston rod

Inquiry

If you have any comments and suggestions to our company, please leave a message here.

Your message will give me a great help, we will reply as soon as possible. Sincerely thank you for your attention and support!

Products RecommendedMore popular products+
SDA Series Compact Cylinder

SDA Series Compact Cylinder

SDA Series Compact Cylinder

ADVU Series Compact Cylinder

ADVU Series Compact Cylinder

ADVU Series Compact Cylinder

ADN Series Compact Cylinder(ISO21287)

ADN Series Compact Cylinder(ISO21287)

ADN Series Compact Cylinder(ISO21287)

CQ2 Series Compact Cylinder

CQ2 Series Compact Cylinder

CQ2 Series Compact Cylinder

Access exclusive offers, news, and more.

Products
Pneumatic Cylinders Air Source Treatment Units Directional Valves Fluid Solenoid Valve Pneumatic Accessories
QUIK LINKS
About Us Products News Contact Us
CONTACT US

Autoair Pneumatic CO., LTD

Add: 218 WEI18 ROAD,YUEIQNG ECONOMIC DEVELOPMENT ZONE,YUEQING CITY,WENZHOU CITY,ZHEJIANG PROVINCE,CHINA

Tel: 0086-13336999667
Email: Picasso@wincoair.com/Picasso@188.com

Copyright © 2023 Autoair Pneumatic CO., LTD All Rights Reserved. Sitemap Support:Ksion