Products
Products


Home > Products > Pneumatic Cylinders > Compact Pneumatic Cylinder
CU Series Free Installation Cylinder
  • CU Series Free Installation Cylinder
  • CU Series Free Installation Cylinder

CU Series Free Installation Cylinder

Working Medium

Air

Ensured Pressure Resistance

1.0Mpa(10.5kgf/cm2)

Max. Working-pressure

0.7Mpa(7.1kgf/cm2)

Lubrication

Non-lube

Piston Speed

50-500 mm/s

Cushion

Rubber bumper

Consult Immediately

Ordering Code

                       

Specification

Bore(mm)

6 mm

10 mm

16 mm

20 mm

25 mm

32 mm

Working Medium

Air

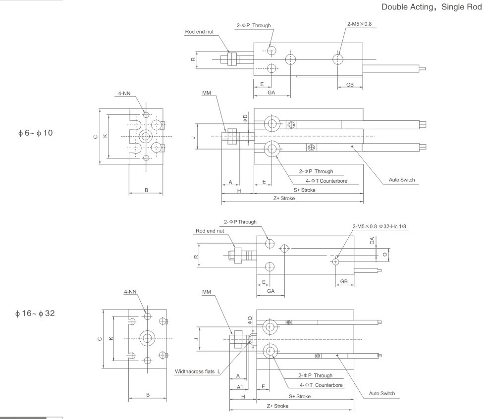
Motion Pattern

Double action/Single Action Extrusion type/Single Action Drawing-in Type

Ensured Pressure Resistance

1.0Mpa(10.5kgf/cm2)

Min. Opetating-pressure Single 0.2MPa 0.15MPa 0.13MPa
Double 0.12MPa 0.06MPa 0.05MPa

Max. Working-pressure

0.7Mpa(7.1kgf/cm2)

Ambient and Medium Temperature

Without auto switch:110-70℃ (No freezing)
With auto switch:110-60℃ (No freezing)

Lubrication

Non-lube

Piston Speed

50-500 mm/s

Cushion

Rubber bumper

Rod end thread

Male thread

Thread tolerance

Class 2

Cushion

Both ends buffer

Margin of Stroke Error(mm)

+1.0
0mm

Precision of Piston rod with Non-rotating

±0.8°

±0.5°

Port Size

M5×0.8

G1/8"

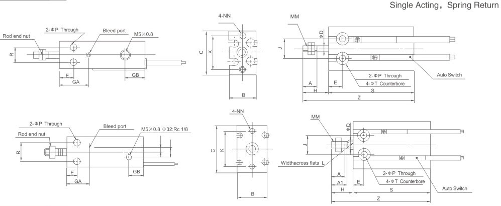
Overall Dimensions


Bore size (mm)

A

A1

B

C

D

E

GA

GB

H

K

J

L

MM

6

7

-

13

22

3

7

15

10

13

17

10

-

M3×0.5

10

10

-

15

24

4

7

16.5

10

16

18

11

-

M4×0.7

16

11

12.5

20

32

6

7

16.5Note)

11.5

16

25

14

5

M5×0.8

20

12

14

26

40

8

9

19

12.5

19

30

16

6

M6×1.0

25

15.5

18

32

50

10

10

21.5

13

23

38

20

8

M8×1.25

32

19.5

22

40

62

12

11

23

12.5

27

48

24

10

M10×1.25



Bore size
(mm)

NN

P

Q

QA

R

T

Without Auto Switch

With Auto Switch

S

Z

S

Z

6

M3×0.5(depth) 5

3.2

-

-

7

6 (depth) 4.8

33

46

33

46

10

M3×0.5(depth) 5

3.2

-

-

9

6 (depth) 5

36

52

36

52

16

M4×0.7 深(depth) 6

4.5

4

2

12

7.6 (depth) 6.5

30

46

40

56

20

M5×0.8(depth) 8

5.5

9

4.5

16

9.3 (depth) 8

36

55

46

65

25

M5×0.8(depth) 8

5.5

9

4.5

20

9.3 (depth) 9

40

63

50

73

32

M6×1.0(depth) 9

6.6

13.5

4.5

24

11 (depth) 11.5

42

69

52

79



Bore size(mm)

A

A1

B

C

D

E

GA

GB

H

K

J

L

MM

NN

P

6

7

-

13

22

3

7

15

10

13

17

10

-

M3×0.5

M3×0.5(depth) 5

3.2

10

10

-

15

24

4

7

16.5

10

16

18

11

-

M4×0.7

M3×0.5(depth) 5

3.2

16

11

12.5

20

32

6

7

16.5

11.5

16

25

14

5

M5×0.8

M4×0.7(depth) 6

4.5

20

12

14

26

40

8

9

19

12.5

19

30

16

6

M6×1.0

M5×0.8(depth) 8

5.5

25

15.5

18

32

50

10

10

21.5

13

23

38

20

8

M8×1.25

M5×0.8(depth) 8

5.5

32

19.5

22

40

62

12

11

23

12.5

27

48

24

10

M10×1.25

M6×1.0(depth) 9

6.6



Bore size
(mm)

Q

QA

R

T

V(Note)

Without Auto Switch

With Auto Switch

S

Z

S

Z

5st

10st

15st

5st

10st

15st

5st

10st

15st

5st

10st

15st

6

-

-

7

6(depth) 4.8

-

38

43

48

56

66

76

38

43

48

56

66

76

10

-

-

9

6(depth) 5

-

41

46

56

62

72

87

41

46

56

62

72

87

16

4

2

12

7.6(depth) 6.5

3.5

45

50

60

66

76

91

45

50

60

66

76

91

20

9

4.5

16

9.3(depth) 8

5

41

46

56

65

75

90

51

56

66

75

85

100

25

9

4.5

20

9.3(depth) 9

5

45

50

60

73

83

98

55

60

70

83

93

108

32

13.5

4.5

24

11(depth) 11.5

5

47

52

62

79

89

104

57

62

72

89

99

114


Inquiry

If you have any comments and suggestions to our company, please leave a message here.

Your message will give me a great help, we will reply as soon as possible. Sincerely thank you for your attention and support!

Products RecommendedMore popular products+
SDA Series Compact Cylinder

SDA Series Compact Cylinder

SDA Series Compact Cylinder

ADVU Series Compact Cylinder

ADVU Series Compact Cylinder

ADVU Series Compact Cylinder

ADN Series Compact Cylinder(ISO21287)

ADN Series Compact Cylinder(ISO21287)

ADN Series Compact Cylinder(ISO21287)

CQ2 Series Compact Cylinder

CQ2 Series Compact Cylinder

CQ2 Series Compact Cylinder

Access exclusive offers, news, and more.

Products
Pneumatic Cylinders Air Source Treatment Units Directional Valves Fluid Solenoid Valve Pneumatic Accessories
QUIK LINKS
About Us Products News Contact Us
CONTACT US

Autoair Pneumatic CO., LTD

Add: 218 WEI18 ROAD,YUEIQNG ECONOMIC DEVELOPMENT ZONE,YUEQING CITY,WENZHOU CITY,ZHEJIANG PROVINCE,CHINA

Tel: 0086-13336999667
Email: Picasso@wincoair.com/Picasso@188.com

Copyright © 2023 Autoair Pneumatic CO., LTD All Rights Reserved. Sitemap Support:Ksion