
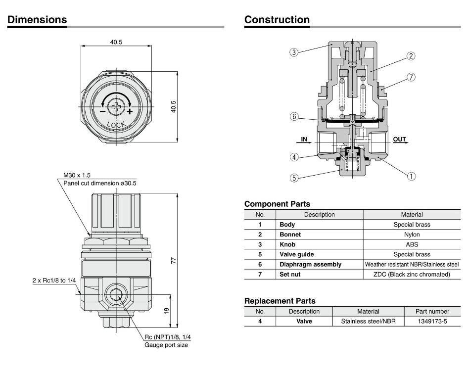
Model | WR110-□-X224 | WR110-□-X215 |
Port size | Rc1/8,1/4 | Rc1/8, 1/4, NPT1/8,1/4 |
Fluid | Water | |
Ambient and fluid temperature | -5 to 60°C (No freezing) | |
Proof pressure | 1.72 MPa | |
Maximum operating pressure | 0.8 MPa | |
Set pressure range | 0.08 to 0.39 MPa | 0.05 to 0.69 MPa |
Pressure gauge port size | Rc1/8,1/4 | Rc1/8, 1/4, NPT1/8, 1/4 |
Weight [kg] | 0.26 | |

Water Regulator WR110
Pressure Control Valve AP100
Vacuum Regulator IRV
Clean Regulator SRH
Autoair Pneumatic CO., LTD
Add: 218 WEI18 ROAD,YUEIQNG ECONOMIC DEVELOPMENT ZONE,YUEQING CITY,WENZHOU CITY,ZHEJIANG PROVINCE,CHINA
Tel: 0086-13336999667
Email: Picasso@wincoair.com/Picasso@188.com