Working Medium | 40 Micron Filtered Air |
Motion Pattern | Inner Guide Type |
Working-Pressure | 0.15~0.8MPa |
Max.Pressure Resistance | 1.2MPa |
Operating Temperature | 5~50℃ |
Voltage Range | ±10% |


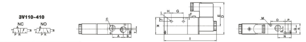
| Model | 3V110~410 | 3V120~420 | 3A110~410 | 3A120~420 |
| Position and Way NO. | Two-position Five-way | |||
| Working Medium | 40 Micron Filtered Air | |||
| Motion Pattern | Inner Guide Type | |||
| Working-Pressure | 0.15~0.8MPa | |||
| Max.Pressure Resistance | 1.2MPa | |||
| Operating Temperature | 5~50℃ | |||
| Voltage Range | ±10% | |||
| Power Consumption | AC:4.5VA DC:3W | |||
| Insulation & Protection Class | F Class.IP65 | |||
| Electrical entry | Lead Wire or Connector type | |||
| Highest Action Frequency | 5 Cycle / Second | |||
| Response time | 0.05 Second | |||

| Model | A | B | C | D | E | F | G | H | I | J | K | L | M | N | O | P | Q | R | S | T |
| 3V110-M5 | 16 | 14 | 3-M5 | 53.5 | 32.5 | 2.5 | 21 | 12 | 85.8 | 7.7 | 27 | 2-Φ3.3 | 2-Φ3.3 | 23 | 19 | 12.5 | 13 | 18 | / | / |
| 3V110-06 | 16 | 14 | 3-G1/8" | 53.5 | 32.5 | 2.5 | 21 | 12 | 85.8 | 7.7 | 27 | 2-Φ3.3 | 2-Φ3.3 | 23 | 19 | 12.5 | 13 | 18 | 1 | 2 |
| 3V210-06 | 18 | 21 | 3-G1/8" | 66.5 | 40 | 3 | 25 | 15 | 111.5 | 8 | 35 | 2-Φ3.3 | 2-Φ3.2 | 31 | 33 | 12.5 | 17 | 22 | 1.5 | / |
| 3V210-08 | 18 | 21 | 3-G1/4" | 66.5 | 40 | 3 | 25 | 15 | 111.5 | 8 | 35 | 2-Φ3.3 | 2-Φ3.2 | 31 | 33 | 12.5 | 17 | 22 | 1.5 | 3 |
| 3V310-08 | 24 | 20.5 | 3-G1/4" | 69 | 40 | 2.4 | 30 | 17.5 | 119.5 | 10.5 | 40 | 2-Φ4.3 | 2-Φ4.3 | 32.5 | 35 | 15 | 20 | 27 | / | / |
| 3V310-10 | 24 | 20.5 | 3-G3/8" | 69 | 40 | 2.4 | 30 | 17.5 | 119.4 | 10.5 | 40 | 2-Φ4.3 | 2-Φ4.3 | 32.5 | 35 | 15 | 20 | 27 | / | / |
| 3V410-15 | 31.5 | 25.5 | 3-G1/4" | 74 | / | / | 51 | 15.5 | 137 | 11.5 | 50 | 2-Φ4.3 | 2-Φ4.3 | 41.5 | / | / | / | / | 2 | / |

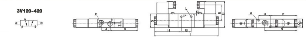
| Model | A | B | C | D | E | F | G | H | I | J | K | L | M | N | O | P | Q | R | S | T |
| 3V120-M5 | 16 | 55.8 | 3-M5 | 53.5 | 32.5 | 2.5 | 21 | 53.3 | 127.6 | 7.7 | 27 | 2-Φ3.3 | 2-Φ3.3 | 63.8 | 19 | 54.3 | 13 | 18 | / | / |
| 3V120-06 | 16 | 55.8 | 3-G1/8" | 53.5 | 32.5 | 2.5 | 21 | 53.3 | 127.6 | 7.7 | 27 | 2-Φ3.3 | 2-Φ3.3 | 63.8 | 19 | 54.5 | 13 | 18 | 1 | 2 |
| 3V220-06 | 18 | 74.5 | 3-G1/8" | 66.5 | 40 | 3 | 25 | 68.4 | 165 | 8 | 35 | 2-Φ3.3 | 2-Φ3.2 | 84.5 | 33 | 66 | 17 | 22 | 1.5 | / |
| 3V220-08 | 18 | 74.5 | 3-G1/4" | 66.5 | 40 | 3 | 25 | 68.4 | 165 | 8 | 35 | 2-Φ3.3 | 2-Φ3.2 | 84.5 | 33 | 66 | 17 | 22 | 1.5 | 3 |
| 3V320-08 | 24 | 75 | 3-G1/4" | 69 | 40 | 2.4 | 30 | 72 | 174 | 10.5 | 40 | 2-Φ4.3 | 2-Φ4.3 | 87 | 35 | 69.4 | 20 | 27 | / | / |
| 3V320-10 | 24 | 75 | 3-G3/8" | 69 | 40 | 2.4 | 30 | 72 | 174 | 10.5 | 40 | 2-Φ4.3 | 2-Φ4.3 | 87 | 35 | 69.4 | 20 | 27 | / | / |
| 3V420-15 | 31.5 | 79.5 | 3-G1/4" | 74 | / | / | 51 | / | 190.5 | 11.5 | 50 | 2-Φ4.3 | 2-Φ4.3 | 95 | / | / | / | / | 2 | / |

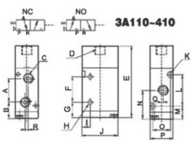
| Model | A | B | C | D | E | F | G | H | I | J | K | L | M | N | O | P | Q | R |
| 3A110-M5 | 16 | 14 | 3-M5 | G1/8" | 56.5 | 21 | 11.5 | 2-Φ3.3 | 7.7 | 27 | 2-Φ3.3 | 19 | 12.5 | 23 | 13 | 18 | / | / |
| 3A110-06 | 16 | 14 | 3-G1/8" | G1/8" | 56.5 | 21 | 11.5 | 2-Φ3.3 | 7.7 | 27 | 2-Φ3.3 | 19 | 12.5 | 23 | 13 | 18 | 1 | 2 |
| 3A210-06 | 22.5 | 16 | 3-G1/8" | G1/8" | 70 | 25 | 15 | 2-Φ3.3 | 8 | 35 | 2-Φ3.3 | 30 | 12.5 | 27.5 | 17 | 22 | 1.5 | / |
| 3A210-08 | 22.5 | 16 | 3-G1/4" | G1/8" | 70 | 25 | 15 | 2-Φ3.3 | 8 | 35 | 2-Φ3.3 | 30 | 12.5 | 27.5 | 17 | 22 | 1.5 | 3 |
| 3A310-08 | 24 | 20.5 | 3-G1/4" | G1/8" | 80.5 | 30 | 17.5 | 2-Φ4.3 | 10.5 | 40 | 2-Φ4.3 | 35 | 15 | 32.5 | 20 | 27 | / | / |
| 3A310-10 | 24 | 20.5 | 3-G3/8" | G1/8" | 80.5 | 30 | 17.5 | 2-Φ4.3 | 10.5 | 40 | 2-Φ4.3 | 35 | 15 | 32.5 | 20 | 27 | / | / |
| 3A410-15 | 31.5 | 25.5 | 3-G1/4" | G1/8" | / | 51 | 15.5 | 2-Φ4.3 | 11.5 | 50 | 2-Φ4.3 | / | / | 41.5 | 27 | 34 | 2 | / |

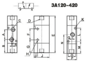
| Model | A | B | C | D | E | F | G | H | I | J | K | L | M | N | O | P | Q | R |
| 3A120-M5 | 16 | 26.5 | 3-M5 | G1/8" | 69 | 21 | 24 | 2-Φ3.3 | 7.7 | 27 | 2-Φ3.3 | 19 | 12.5 | 34.5 | 13 | 18 | / | / |
| 3A120-06 | 16 | 26.5 | 3-G1/8" | G1/8" | 69 | 21 | 24 | 2-Φ3.3 | 7.7 | 27 | 2-Φ3.3 | 19 | 12.5 | 34.5 | 13 | 18 | 1 | 2 |
| 3A220-06 | 22.5 | 35.5 | 3-G1/8" | 2-G1/8" | 84 | 25 | 29.5 | 2-Φ3.3 | 8 | 35 | 2-Φ3.2 | 30 | 27 | 45.5 | 17 | 22 | 1.5 | / |
| 3A220-08 | 22.5 | 35.5 | 3-G1/4" | 2-G1/8" | 84 | 25 | 29.5 | 2-Φ3.3 | 8 | 35 | 2-Φ3.3 | 30 | 27 | 45.5 | 17 | 22 | 1.5 | 3 |
| 3A320-08 | 24 | 36 | 3-G1/4" | 2-G1/8" | 96 | 30 | 33 | 2-Φ4.3 | 10.5 | 40 | 2-Φ4.3 | 35 | 30.5 | 48 | 20 | 27 | / | / |
| 3A320-10 | 24 | 36 | 3-G3/8" | 2-G1/8" | 96 | 30 | 33 | 2-Φ4.3 | 10.5 | 40 | 2-Φ4.3 | 35 | 30.5 | 48 | 20 | 27 | / | / |
| 3A420-15 | 31.5 | 39.5 | 3-G1/4" | 2-G1/8" | / | 51 | / | 2-Φ4.3 | 11.5 | 50 | 2-Φ4.3 | / | / | 55 | 27 | 34 | 2 | / |
Large Size 3-Port Solenoid Valve VP3145/3165/3185
4V Series Solenoid Valve 4A series Pneumatic Control Valve
3V Series Solenoid Valve 3A series Pneumatic Control Valve
4M Series Plate Type Valve
Autoair Pneumatic CO., LTD
Add: 218 WEI18 ROAD,YUEIQNG ECONOMIC DEVELOPMENT ZONE,YUEQING CITY,WENZHOU CITY,ZHEJIANG PROVINCE,CHINA
Tel: 0086-13336999667
Email: Picasso@wincoair.com/Picasso@188.com