Products
Products


Home > Products > Pneumatic Cylinders > Rotary Pneumatic Cylinder
MSQ Series Rotary Cylinder
  • MSQ Series Rotary Cylinder
  • MSQ Series Rotary Cylinder
  • MSQ Series Rotary Cylinder

MSQ Series Rotary Cylinder

Fluid

Air(non-lube)                                     

Max.pressure

0.6 MPa (6.1kgf/cm2)/Note

Ambient and fluid temperature

0~60℃(No freezing)

Angle adjustment range

0~190°

Maximum rotation

190°


Consult Immediately

Ordering Code

                       

Specification

Bore(mm)

10

20

30

50

70

100

200

Fluid

Air(non-lube)

Max.pressure

With adjustment bole

1Mpa(10.2kgf/cm2)

R:With Shock Absorber

0.6 MPa (6.1kgf/cm2)/Note

Min.pressure

Basic type

0.1 Mpa(1.0kgf/cm2)

High precision type

0.2 Mpa

0.1 Mpa

-

Ambient and fluid temperature

0~60℃(No freezing)

Cushion

With adjustment bole

Rubber bumper

R:With Shock Absorber

Shock absorber

Angle adjustment range

0~190°

Maximum rotation

190°

Piston bore

φ15

φ18

φ21

φ25

φ28

φ32

φ40

Port size

End ports

M5×0.8

RC1/8"

Side ports

M5×0.8

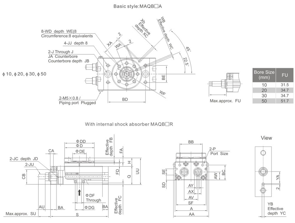
Overall Dimensions


Bore size

AA

A

AU

AV

AW

AX

AY

BA

BB

BC

BD

BE

CA

CB

D

DD

DE

DF

10

55.4

50

8.6

20

15.5

12

4

9.5

34.5

27.8

60

27

4.5

28.5

46h9

46h9

20h9

5

20

70.8

65

10.6

27.5

16

14

5

12

46

30

67

34

6

30.5

60h9

61h9

28h9

9

30

75.4

70

10.6

29

18.5

14

5

12

50

32

84

37

6.5

33.5

65h9

67h9

32h9

9

50

85.4

80

14

38

22

19

6

15.5

63

37.5

100

50

10

37.5

75h9

77h9

35h9

10



Bore size

DG

FA

FB

FC

FD

H

J

JA

JB

JC

JD

JJ

JU

P

10

15h9

8

4

3

4.5

13

6.8

11

6.6

M8×1.25

12

M5×0.8

M8×1

M5×0.8

20

17h9

10

6

2.5

6.5

17

8.6

14

8.5

M10×1.5

15

M6×1

M10×1

M5×0.8

30

22h9

10

4.5

3

6.5

17

8.6

14

8.5

M10×1.5

15

M6×1

M10×1

RC 1/8

50

29h9

12

5

3

7.5

20

10.5

18

10.5

M12×1.75

18

M8×1.25

M14×1.5

RC 1/8


Bore size

Q

S

SD

SE

SF

SU

UU

WA

WB

WC

WD

WE

WF

XA

XB

XC

YA

YB

YC

10

34

92

9

13

45

17.7

47

15

3H9

3.5

M5×0.8

8

32

27

3H9

3.5

19

3H9

3.5

20

37

117

10

12

60

25

54

20.5

4H9

4.5

M6×1

10

43

36

4H9

4.5

24

4H9

4.5

30

40

127

11.5

14

65

25

57

23

4H9

4.5

M6×1

10

48

39

4H9

4.5

28

4H9

4.5

50

46

152

14.5

15

75

31.4

66

26.5

5H9

5.5

M8×1.25

12

55

45

5H9

5.5

33

5H9

5.5



Bore size

AA

AB

A

AV

AW

AX

AY

BA

BB

BC

BD

BE

CB

D

DD

DE

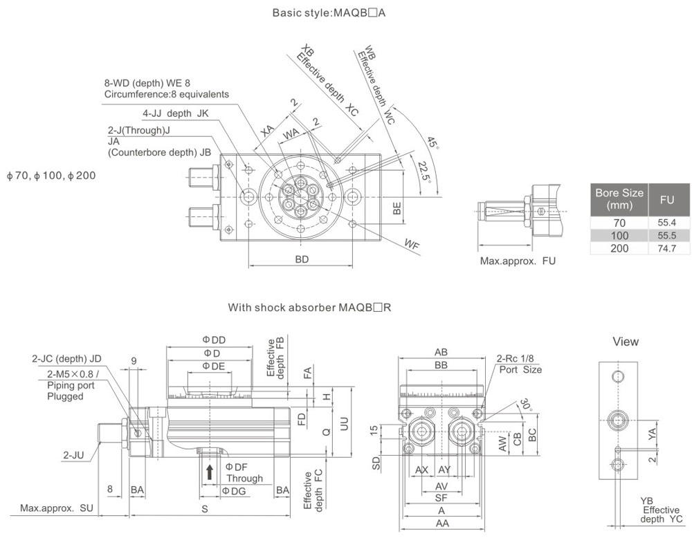
70

90

92

84

42

25.5

27

8

17

75

44.5

110

57

36

88h9

90h9

46h9

100

101

102

95

50

29.5

27

8

17

85

50.5

130

66

42

98h9

100h9

56h9

200

119

120

113

60

36.5

36

10

24

103

65.5

150

80

57

116h9

118h9

64h9



Bore size

DF

DG

FA

FB

FC

FD

H

J

JA

JB

JC

JD

JJ

JK

JU

70

16

22h9

12.5

5

3.5

6

22

10.4

17.5

10.5

M12×1.75

18

M8×1.25

10

M20×1.5

100

19

242h9

14.5

6

3.5

12

27

10.4

17.5

10.5

M12×1.75

18

M8×1.25

10

M20×1.5

200

24

32h9

16.5

9

5.5

15

32

14.2

20

12.5

M16×2

25

M12×1.75

13

M27×1.5


Bore size

Q

S

SD

SF

SU

UU

WA

WB

WC

WD

WE

WF

XA

XB

XC

YA

YB

YC

70

53

170

18

79

34.2

75

32.5

5H9

5.5

M8×1.25

12.5

67

54

5H9

3.5

39

5H9

3.5

100

59

189

22

90

34.3

86

37.5

6H9

6.5

M10×1.55

14.5

77

59

6H9

4.5

49

6H9

4.5

200

74

240

29

108

40.2

106

44

8H9

8.5

M12×1.75

16.5

90

69

8H9

4.5

54

8H9

6.5



Other info

Size

Allowable kinectic energy(mj)

Rotation time adjiustment range for stable operation (s/90°)

With adjiustment bolt

With internal shock absorber

With adjiustment bolt

With internal shock absorber (Note)

10mm

7

39

0.2 to 1.0

0.2 to 0.7

20mm

25

116

30mm

48

116

50mm

81

294

70mm

240

1100

0.2 to 1.5

0.2 to 1.0

100mm

320

1600

0.2 to 2.0

200mm

560

2900

0.2 to 2.5

Inquiry

If you have any comments and suggestions to our company, please leave a message here.

Your message will give me a great help, we will reply as soon as possible. Sincerely thank you for your attention and support!

Products RecommendedMore popular products+
MSQ Series Rotary Cylinder

MSQ Series Rotary Cylinder

MSQ Series Rotary Cylinder

CRQ2 Series Rotary Actuator

CRQ2 Series Rotary Actuator

CRQ2 Series Rotary Actuator

CRA1 Series Rotary Actuator

CRA1 Series Rotary Actuator

CRA1 Series Rotary Actuator

CRB2 Series Vone Rotary Actuators

CRB2 Series Vone Rotary Actuators

CRB2 Series Vone Rotary Actuators

Access exclusive offers, news, and more.

Products
Pneumatic Cylinders Air Source Treatment Units Directional Valves Fluid Solenoid Valve Pneumatic Accessories
QUIK LINKS
About Us Products News Contact Us
CONTACT US

Autoair Pneumatic CO., LTD

Add: 218 WEI18 ROAD,YUEIQNG ECONOMIC DEVELOPMENT ZONE,YUEQING CITY,WENZHOU CITY,ZHEJIANG PROVINCE,CHINA

Tel: 0086-13336999667
Email: Picasso@wincoair.com/Picasso@188.com

Copyright © 2023 Autoair Pneumatic CO., LTD All Rights Reserved. Sitemap Support:Ksion