Products
Products


Home > Products > Pneumatic Cylinders > Mini Pneumatic Cylinder
MAL Series Mini Cylinder
  • MAL Series Mini Cylinder
  • MAL Series Mini Cylinder
  • MAL Series Mini Cylinder
  • MAL Series Mini Cylinder

MAL Series Mini Cylinder

Motion pattern

Double Action or Single Action

Working Medium

Air

Operating Voltage Range

0.1~0.9MPa

Ensured Pressure Resistance

1.35MPa

Operating Temperature Range

-5~70℃

Operating Speed Range

30~800mm/s

Consult Immediately

Ordering Code

                       

Specification

Bore(mm)

16

20

25

32

40

Motion pattern

Double Action or Single Action

Working Medium

Air

Fixed Type

Normal Type LB/Type FA/Type SDB/Type

Operating Voltage Range

0.1~0.9MPa

Ensured Pressure Resistance

1.35MPa

Operating Temperature Range

-5~70℃

Operating Speed Range

30~800mm/s

Buffer Type

Standard Type

Anti-crash cushion

Damping Type

-

Adjustable cushion

Port Size

M5×0.8

G1/8"

G1/4"

Overall Dimensions


Bore/Symbol

A

A1

A2

B

C

D

D1

E

F

G

H

I

J

K

16

110

114

98

38

60

16

16

22

16

10

16

10

5

M6×1

20

131

122

110

40

70

21

12

28

12

16

20

12

6

M8×1.25

25

135

128

114

44

70

21

14

30

14

16

22

17

6

M10×1.25

32

141

128

114

44

70

27

14

30

14

16

22

17

6

M10×1.25

40

165

152

138

45

92

27

14

32

14

22

24

17

7

M12×1.25


Bore/Symbol

L

M

P

Q

R

R1

S

U

V

W

X

AR

AX

AY

16

M16×1.5

14

6

12

14

14

9

21

6

5

M5

6

25

22

20

M22×1.5

10

8

16

19

10

12

29

8

6

G1/8"

7

33

29

25

M22×1.5

1

8

16

19

12

12

34

10

8

G1/8"

7

33

29

32

M24×2.0

12

10

16

25

12

15

39.5

12

10

G1/8"

8

37

32

40

M30×2.0

12

12

20

25

12

15

49.5

16

14

G1/4"

9

37

41


Symbol

A

A1

A2

B

C

D

D1

E

F

G

H

I

J

Bore/Stroke

0-50

51-100

0-50

51-100

0-50

51-100

0-50

51-100

20

131

156

122

147

110

135

40

70

95

21

12

28

12

16

20

12

6

25

135

160

160

153

114

139

44

70

95

21

14

30

14

16

22

17

6

32

141

166

166

153

114

139

44

70

95

27

14

30

14

16

22

17

6

40

165

190

190

177

138

163

46

92

117

27

14

32

14

22

24

17

7


Inside Diameter/Symbol

K

L

M

P

Q

R

R1

S

U

V

W

X

AR

AX

AY

20

M8×1.25

M22×1.5

10

8

16

19

10

12

29

8

6

G1/8"

7

33

29

25

M10×1.25

M22×1.5

12

8

16

19

12

12

34

10

8

G1/8"

7

33

29

32

M10×1.25

M24×2.0

12

10

16

25

12

15

39.5

12

10

G1/8"

8

37

32

40

M12×1.25

M30×2.0

12

12

20

25

12

15

49.5

16

14

G1/4"

9

47

41


Inside Diameter/Symbol

A

A1

B

C

E

F

G

H

I

J

K

20

150

147

40

70

28

12

16

20

12

6

M8×1.25

25

158

155

44

70

30

14

16

22

17

6

M10×1.25

32

158

155

44

70

30

14

16

22

17

6

M10×1.25

40

184

180

46

92

32

14

22

24

17

7

M12×1.25


Inside Diameter/Symbol

L

M

U

V

W

X

AR

AX

AY

T

20

M22×1.5

10

29

8

6

G1/8"

7

33

29

19

25

M22×1.5

12

34

10

8

G1/8"

7

33

29

21

32

M24×1.5

12

39.5

12

10

G1/8"

8

37

32

21

40

M30×2.0

12

49.5

16

14

G1/4"

9

47

41

21

Other info


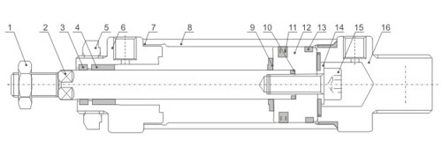
NO.

Designation

1

Piston Rod Nut

3

Front Cover Seal Ring

5

Front Cover Nut

7

Pipe wall O-ring

9

Auti-crash cushion

11

Piston O-Ring

13

Wear Ring

15

Hex socket screw


NO.

Designation

2

Piston Rod

4

Oiled Bearing

6

Front Cover

8

Aliminum tube

10

Piston rod O-Ring

12

Piston

14

Seal cushion

16

Back Over


Bore(mm)

Standard Stroke

Max.Stroke

Permissible Stroke

16

25,50,75, 80,100 ,125,160,175,200

300

500

20

25,50,75,80,100,125,160,175,200, 250,300

500

650

25

25,50,75,80,100,125,160,175,200,250,300,350,400,450,500

500

650

32

25,50,75,80,100,125,160,175,200,250,300,350,400,450,500

500

650

40

25,50,75,80,100,125,160,175,200,250,300,350,400,450,500

500

650

Inquiry

If you have any comments and suggestions to our company, please leave a message here.

Your message will give me a great help, we will reply as soon as possible. Sincerely thank you for your attention and support!

Products RecommendedMore popular products+
MA6432 Series Mini Cylinder(ISO6432)

MA6432 Series Mini Cylinder(ISO6432)

MA6432 Series Mini Cylinder(ISO6432)

MA Series Mini Cylinder

MA Series Mini Cylinder

MA Series Mini Cylinder

MAL Series Mini Cylinder

MAL Series Mini Cylinder

MAL Series Mini Cylinder

CJ2 Series Mini Cylinder

CJ2 Series Mini Cylinder

CJ2 Series Mini Cylinder

Access exclusive offers, news, and more.

Products
Pneumatic Cylinders Air Source Treatment Units Directional Valves Fluid Solenoid Valve Pneumatic Accessories
QUIK LINKS
About Us Products News Contact Us
CONTACT US

Autoair Pneumatic CO., LTD

Add: 218 WEI18 ROAD,YUEIQNG ECONOMIC DEVELOPMENT ZONE,YUEQING CITY,WENZHOU CITY,ZHEJIANG PROVINCE,CHINA

Tel: 0086-13336999667
Email: Picasso@wincoair.com/Picasso@188.com

Copyright © 2023 Autoair Pneumatic CO., LTD All Rights Reserved. Sitemap Support:Ksion