Fluid | Air | |||||
Motion Pattern | Double acting,Double acting with spring loaded,Single acting(Spring extend) | |||||
Max.pressure MPa | 0.7MPa | |||||
Ambient and fluid temperature | -10-60℃ | |||||
*Lubrication | Not required | |||||
Port Size | M3×0.8 | M5×0.8 | ||||

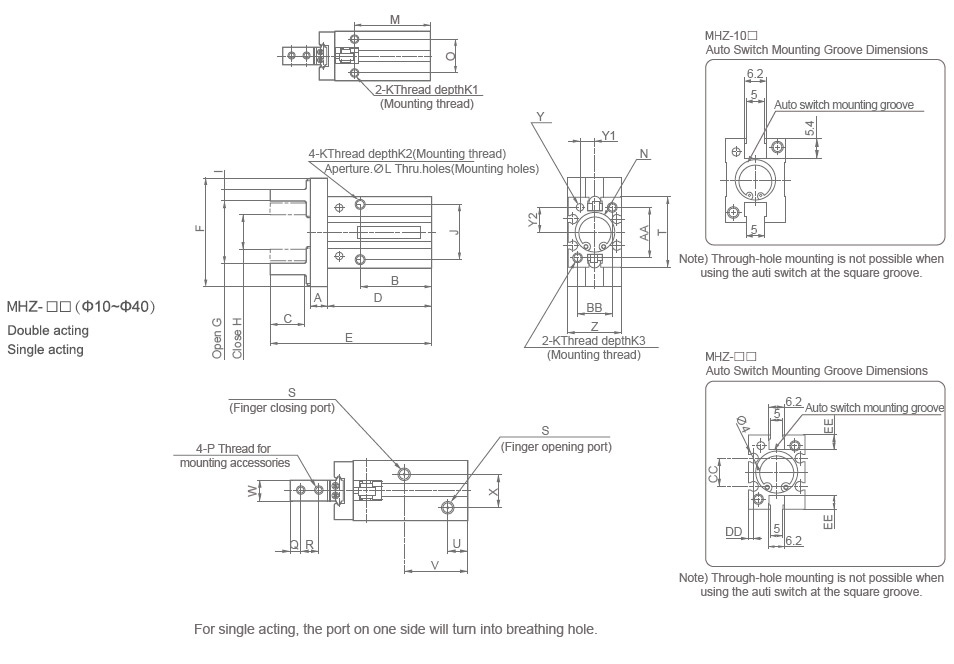
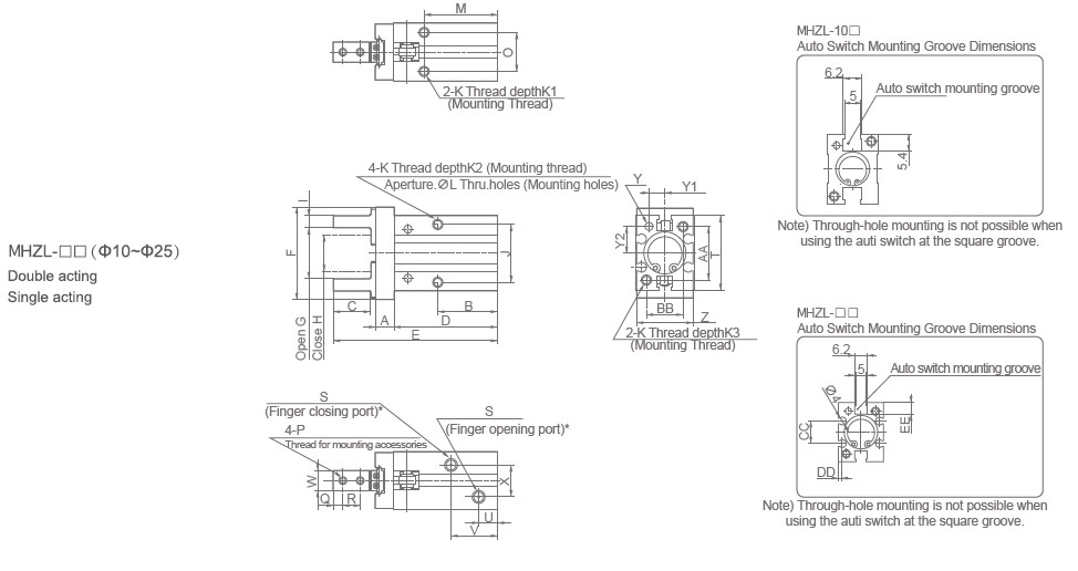
MH Series Style Air Gripper
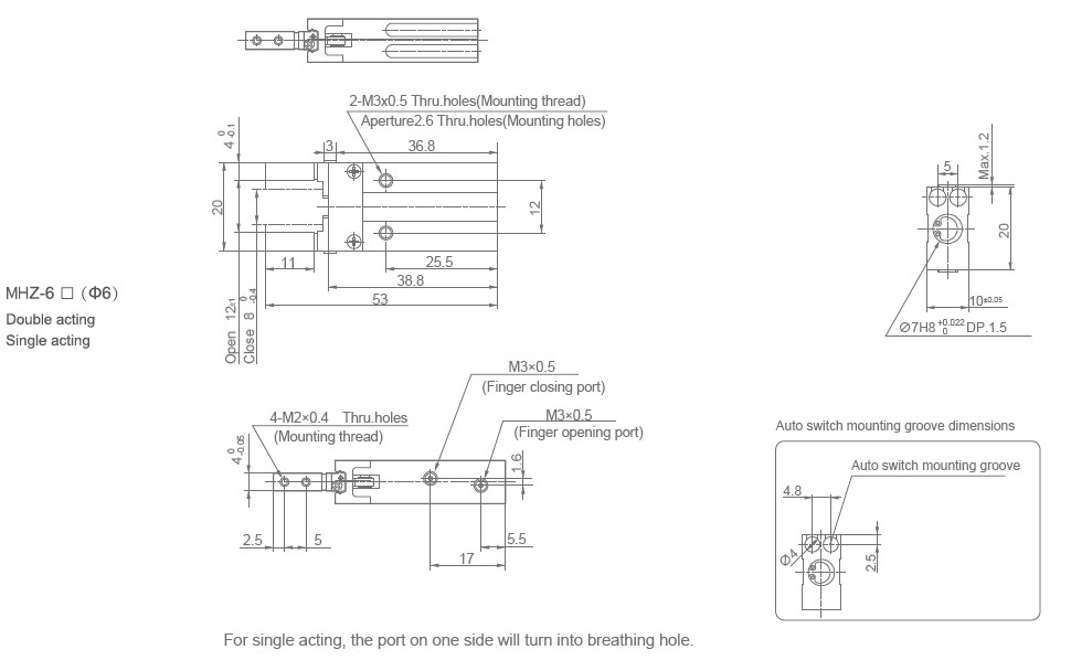
MHS Series Slide Guide Air Gripper(Round Body)
Autoair Pneumatic CO., LTD
Add: 218 WEI18 ROAD,YUEIQNG ECONOMIC DEVELOPMENT ZONE,YUEQING CITY,WENZHOU CITY,ZHEJIANG PROVINCE,CHINA
Tel: 0086-13336999667
Email: Picasso@wincoair.com/Picasso@188.com