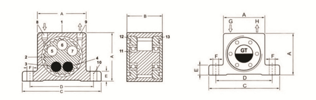
This series combines high-speed processing and eccentic torque to make a strong vibration force. Housing by- exruded aluminum with hardened paint base which can be used in the pharmaceutical industry. CT-turbine vibrator is in line with current international noise regulations.
| Model | Frequency V.P.M /min | Centrifugal Force | Air Consumption/min | ||||||||||||||||
| 0.2MPa | 0.4 MPa | 0.6 MPa | 0.2MPa | 0.4MPa | 0.6MPa | 0.2MPa | 0.4MPa | 0.6MPa | |||||||||||
| N | N | N | Ltr | Ltr | Ltr | ||||||||||||||
| K:08 | 25.510 | 31.100 | 35.100 | 132 | 249 | 355 | 0.85 | 1.50 | 1.90 | ||||||||||
| K·10 | 22.510 | 28.100 | 34.100 | 245 | 468 | 715 | 0.95 | 1.55 | 2.10 | ||||||||||
| K-13 | 15.100 | 18.510 | 22.510 | 320 | 560 | 875 | 0.95 | 1.60 | 2.30 | ||||||||||
| K-16 | 13.100 | 17.100 | 19.510 | 455 | 810 | 1.110 | 1.25 | 2.10 | 2.85 | ||||||||||
| K:20 | 10.510 | 14.510 | 16.510 | 715 | 1.200 | 1.750 | 1.35 | 2.35 | 3.35 | ||||||||||
| K:25 | 9.210 | 12.210 | 14.100 | 925 | 1.580 | 2.100 | 1.65 | 2.95 | 4.20 | ||||||||||
| K·30 | 7.810 | 9.710 | 12.510 | 1.520 | 2.480 | 3.250 | 2.20 | 3.80 | 5.75 | ||||||||||
| K-36 | 7.310 | 9.100 | 10.100 | 2.050 | 3.135 | 4.100 | 2.65 | 4.80 | 6.78 | ||||||||||

| Model | A | Width | C | D | E | F | G | HThread BSP | Weight | ||||||||||
| mm | mm | mm | mm | mm | mm | mm | kg | ||||||||||||
| K·08 | 50 | 20 | 86 | 68 | 12 | 7 | 40 | G1/4" | 0.135 | ||||||||||
| K10 | 20 | 0.135 | |||||||||||||||||
| K·13 | 65 | 24 | 113 | 90 | 16 | 9 | 50 | G1/4" | 0.265 | ||||||||||
| K16 | 27 | 0.305 | |||||||||||||||||
| K:20 | 80 | 33 | 128 | 104 | 16 | 9 | 60 | G1/4" | 0.540 | ||||||||||
| K:25 | 38 | 0.640 | |||||||||||||||||
| K:30 | 100 | 44 | 160 | 130 | 20 | 11 | 80 | G3/8" | 1.140 | ||||||||||
| K·36 | 50 | 1.350 | |||||||||||||||||
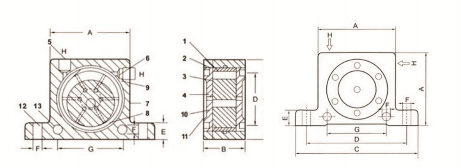
Model | Frequency V.P.M/min | Centrifugal Force | Air Consumption/min | ||||||
0.2 MPa | 0.4 MPa | 0.6 MPa | 0.2MPa | 0.4MPa | 0.6MPa | 0.2MPa | 0.4MPa | 0.6MPa | |
N | N | N | Ltr | Ltr | Ltr | ||||
GT·04 | 14.100 | 15.100 | 16.100 | 135 | 160 | 200 | 0.30 | 0.40 | 0.50 |
GT·06 | 11.500 | 12.500 | 13.500 | 130 | 165 | 210 | |||
GT·08 | 35.850 | 43.000 | 45.900 | 980 | 2.100 | 2.950 | 0.48 | 0.75 | 1.52 |
GT·10 | 26.950 | 34.800 | 37.600 | 850 | 1.400 | 2.450 | |||
GT·13 | 25.950 | 30.050 | 39.800 | 1.450 | 2.450 | 3.700 | 1.25 | 2.10 | 2.80 |
GT·16 | 16.950 | 21.800 | 24.100 | 1.250 | 2.100 | 3.150 | |||
GT·20 | 16.950 | 19.800 | 23.100 | 2.180 | 4.050 | 5.500 | 1.88 | 3.15 | 4.65 |
GT·25 | 11.980 | 15.600 | 17.100 | 2.150 | 3.550 | 5.600 | |||
GT·30 | 12.980 | 14.010 | 16.100 | 3.400 | 5.450 | 7.550 | 3.35 | 5.20 | 7.55 |
GT·36 | 7.990 | 10.100 | 13.000 | 3.300 | 5.380 | 7.180 | |||
GT·40 | 7.650 | 8.850 | 9.550 | 4.350 | 7.350 | 9.850 | 4.28 | 6.80 | 9.60 |

Model | A | Width | C | D | E | F | G Thread BSP | H Thread BSP | Weight | |
mm | mm | mm | mm | mm | mm | kg | Lbs | |||
GT·04 | 40 | 28 | 70 | 56 | 10 | 6 | G1/8’’ | G1/8’’ | 0.185 | 0.45 |
0.185 | 0.50 | |||||||||
GT·06 | 0.210 | 0.51 | ||||||||
GT·08 | 50 | 33 | 86 | 68 | 12 | 7 | G1/8’’ | G1/8’’ | 0.255 | 0.56 |
0.256 | 0.66 | |||||||||
GT·10 | 0.265 | 0.68 | ||||||||
GT·13 | 65 | 42 | 113 | 90 | 16 | 9 | G1/4’’ | G1/4’’ | 0.566 | 1.34 |
0.582 | 1.38 | |||||||||
GT·16 | 0.615 | 1.45 | ||||||||
GT·20 | 80 | 56 | 128 | 104 | 16 | 9 | G1/4’’ | G1/4’’ | 1.095 | 2.50 |
1.121 | 2.56 | |||||||||
GT·25 | 1.205 | 2.74 | ||||||||
GT·30 | 100 | 73 | 160 | 130 | 20 | 11 | G3/8’’ | G3/8’’ | 2.220 | 4.75 |
2.320 | 5.20 | |||||||||
GT·36 | 2.540 | 5.47 | ||||||||
GT·40 | 120 | 83 | 194 | 152 | 24 | 17 | G3/8’’ | G3/8’’ | 3.680 | 8.13 |
3.880 | 8.67 | |||||||||
GT·48 | 4.280 | 9.55 | ||||||||
Model | L | ¢1 | ¢2 | ¢3 | Inlet M |
FP·32 | 100 | 70 | 58 | 8 | G1/8’’ |
FP·40 | 130 | 78 | 66 | 8 | G1/8’’ |
FP·50 | 130 | 88 | 76 | 8 | G1/8’’ |
FP·63 | 140 | 108 | 94 | 10 | G1/4’’ |
FP·80 | 140 | 130 | 115 | 10 | G1/4’’ |
FP·100 | 150 | 154 | 136 | 12 | G1/4’’ |
FP·125 | 150 | 185 | 166 | 14 | G1/4’’ |
FP·140 | 170 | 207 | 186 | 14 | G1/4’’ |

Model | Vibration Force(N) | Frequency HZ | Air Consumption(l/min) | Noise(dB) | Temperature’’C | Weight(kg)) | ||
0.3Mpa | 0.4Mpa | 0.6Mpa | ||||||
FP·32 | 48.4 | 72.0 | 90.0 | 10-60 | 210 | 65 | -8~70 | 1 |
FP·40 | 63.2 | 98.0 | 115.0 | 10-50 | 250 | 65 | -8~70 | 1.51 |
FP·50 | 71.2 | 105.0 | 130.0 | 10-40 | 270 | 65 | -8~70 | 2 |
FP·63 | 92.3 | 123.0 | 190.0 | 10-30 | 310 | 75 | -8~70 | 3.3 |
FP·80 | 110.0 | 192.3 | 240.0 | 10-25 | 330 | 75 | -8~70 | 5.75 |
FP·100 | 138.2 | 298.7 | 388.0 | 10-22 | 350 | 75 | -8~70 | 8 |
FP·125 | 232.1 | 983.4 | 1050.0 | 10-20 | 380 | 75 | -8~70 | 12 |
FP·140 | 257.8 | 1138.0 | 1380.0 | 10-18 | 420 | 75 | -8~70 | 14 |

Size | Parameter | |||||||||
Model | A | B | C | D | E | F | Pressure MPA | Air Consumption L/time | Impact Energy(N.M) | Weight |
SX30 | 9 | 67 | 82 | 135 | 1/4’’PT | 1/8’’PT | 0.3~0.7 | 0.05~0.13 | 5.5~13.1 | 1.1Kg |
SX40 | 11 | 77 | 98 | 175 | 1/4’’PT | 1/8’’PT | 0.3~0.7 | 0.15~0.37 | 9.2~22.3 | 2.7Kg |
SX60 | 12.5 | 110 | 143 | 220 | 1/4’’PT | 1/4’’PT | 0.3~0.7 | 0.33~0.77 | 20.6~49.0 | 6.0Kg |
SX80 | 17 | 140 | 170 | 275 | 3/8’’PT | 3/8’’PT | 0.4~0.6 | 0.60~1.40 | 45.1~109.0 | 12.5Kg |
Model | Frequency V.P.M/min | Centrifugal Force | Air Consumption/min | ||||||
0.2 MPa | 0.4 MPa | 0.6 MPa | 0.2MPa | 0.4MPa | 0.6MPa | 0.2MPa | 0.4MPa | 0.6MPa | |
N | N | N | Ltr | Ltr | Ltr | ||||
R·50 | 25.100 | 35.100 | 36.100 | 1.170 | 2.950 | 4.250 | 1.50 | 1.48 | 1.98 |
R·65 | 19.100 | 21.100 | 26.100 | 2.750 | 4.850 | 6.150 | 2.10 | 3.05 | 4.10 |
R·80 | 15.600 | 18.600 | 19.100 | 3.100 | 6.120 | 7.400 | 4.50 | 4.35 | 5.75 |
R·100 | 11.100 | 14.100 | 16.100 | 3.760 | 6.700 | 8.950 | 5.60 | 5.55 | 7.35 |
R·120 | 10.100 | 11.600 | 12.600 | 8.100 | 10.100 | 12.510 | 7.35 | 7.35 | 9.75 |

Model | A | Width | C | D | E | F | G | H Thread BSP | Weight | |
mm | mm | mm | mm | mm | mm | mm | kg | Lbs | ||
R·50 | 50 | 29 | 86 | 68 | 12 | 7 | 40 | G1/8’’ | 0.245 | 0.55 |
R·65 | 62 | 37 | 113 | 90 | 16 | 9 | 50 | G1/4’’ | 0.540 | 1.25 |
R·80 | 80 | 43 | 128 | 104 | 16 | 9 | 60 | G1/4’’ | 0.955 | 2.20 |
R·100 | 100 | 52 | 160 | 130 | 20 | 11 | 80 | G3/8’’ | 1.815 | 4.10 |
R·120 | 120 | 77 | 194 | 152 | 24 | 17 | G3/8’’ | 4.265 | 9.45 | |
Model | A | Width | C | D | E | F | G* | H* | Weight | |||||||
mm | inch | mm | inch | mm | inch | mm | inch | mm | inch | mm | inch | Kg
| Lbs | |||
T-50/LP | 50 | 1.97 | 46 | 1.81 | 86 | 3.38 | 68 | 2.68 | 12 | 0.47 | 7 | 0.27 | 1/8’’ | 1/4’’ | .385 | 86 |
T-50/HP | 50 | 1.97 | 60 | 2.36 | 86 | 3.38 | 68 | 2.68 | 12 | 0.47 | 7 | 0.27 | 1/8’’ | 1/4’’ | .520 | 1.15 |
T-65/LP | 65 | 2.56 | 50 | 1.97 | 113 | 4.45 | 90 | 3.54 | 16 | 0.63 | 9 | 0.35 | 1/4’’ | 1/4’’ | .735 | 1.60 |
T-65/HP | 65 | 2.56 | 64 | 2.52 | 113 | 4.45 | 90 | 3.54 | 16 | 0.63 | 9 | 0.35 | 1/4’’ | 1/4’’ | .975 | 2.15 |
T-80/LP | 80 | 3.15 | 56 | 2.20 | 128 | 5.04 | 104 | 4.09 | 16 | 0.63 | 11 | 0.43 | 1/4’’ | 3/8’’ | 1.210 | 2.70 |
T-80/HP | 80 | 3.15 | 70 | 2.75 | 128 | 5.04 | 104 | 4.09 | 16 | 0.63 | 11 | 0.43 | 1/4’’ | 3/8’’ | 1.560 | 3.45 |
T-100/HP | 100 | 3.94 | 67 | 2.64 | 160 | 6.03 | 130 | 5.12 | 20 | 0.79 | 13 | 0.51 | 3/8’’ | 3/8’’ | 2.270 | 5.00 |
AC/AD Shock Absorbers
Stainless Steel Push In Fittings
Speed Controller AS Series
One Touch Fittings KJ Series
Autoair Pneumatic CO., LTD
Add: 218 WEI18 ROAD,YUEIQNG ECONOMIC DEVELOPMENT ZONE,YUEQING CITY,WENZHOU CITY,ZHEJIANG PROVINCE,CHINA
Tel: 0086-13336999667
Email: Picasso@wincoair.com/Picasso@188.com